99991103750
TREAD, .
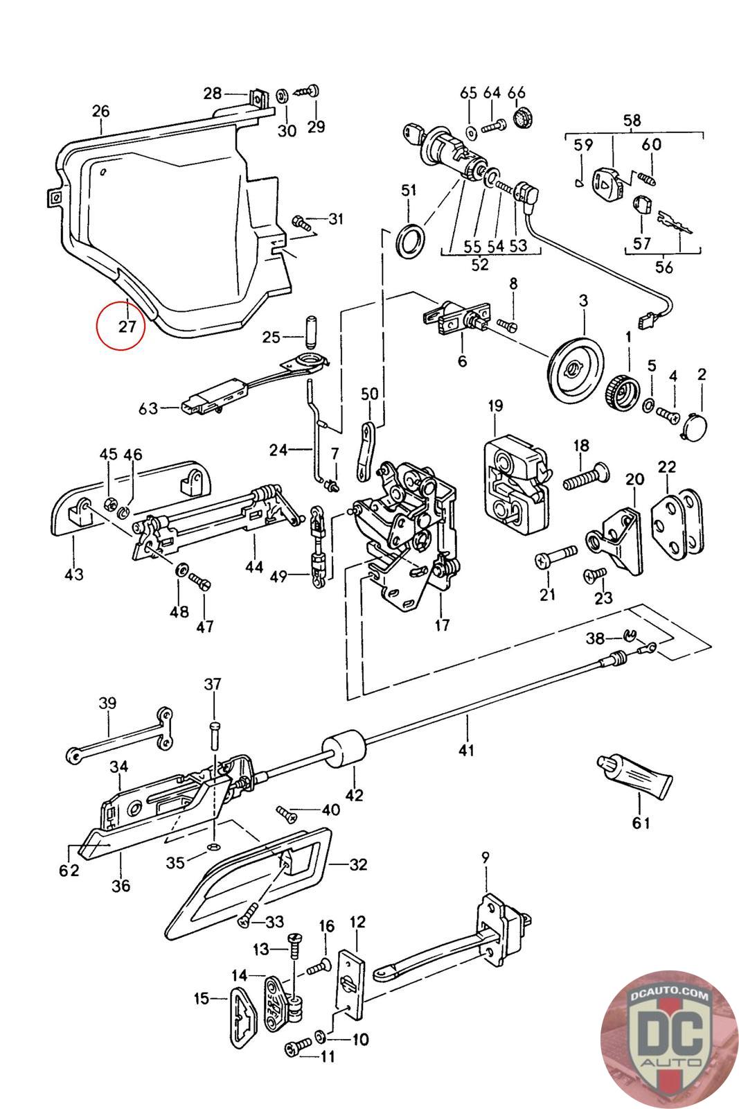
999 911 037 50
SELECT
PART NO
99991103750
DESCRIPTION
Note this is a special order item, delivery estimate 1-2 weeks.
CONDITION
NEW - GENUINE PORSCHE
MANUFACTURER
-
99991103750
Note this is a special order item, delivery estimate 1-2 weeks.
NEW - GENUINE PORSCHE
-