92811054301
SUPPORT, .
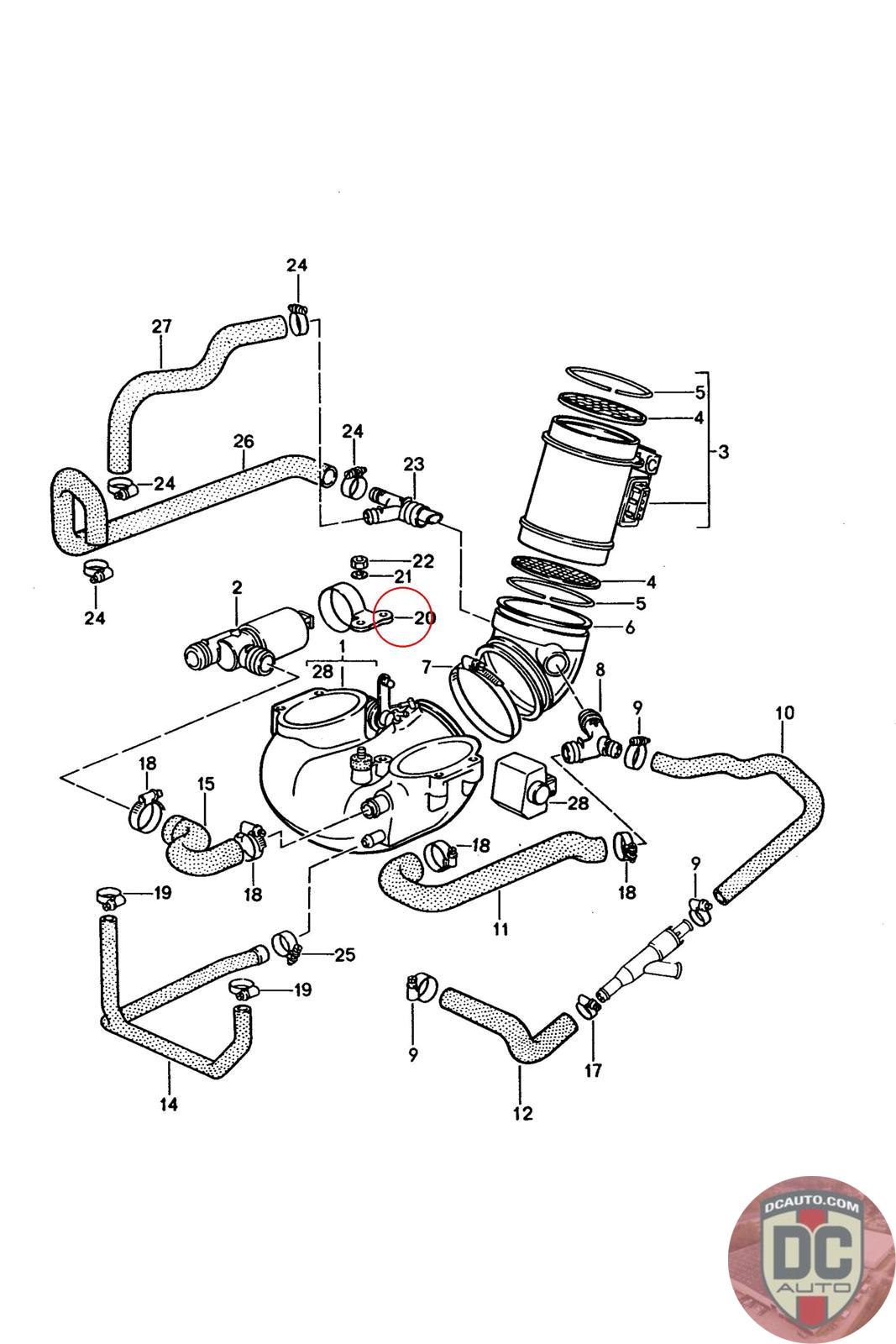
928 110 543 01
SELECT
PART NO
92811054301
DESCRIPTION
Note this is a special order item, delivery estimate 1-2 weeks.
CONDITION
NEW - GENUINE PORSCHE
MANUFACTURER
-
PRICE
$10.97
OUT OF STOCK
92811054301
Note this is a special order item, delivery estimate 1-2 weeks.
NEW - GENUINE PORSCHE
-
$
10.97
Available: 0