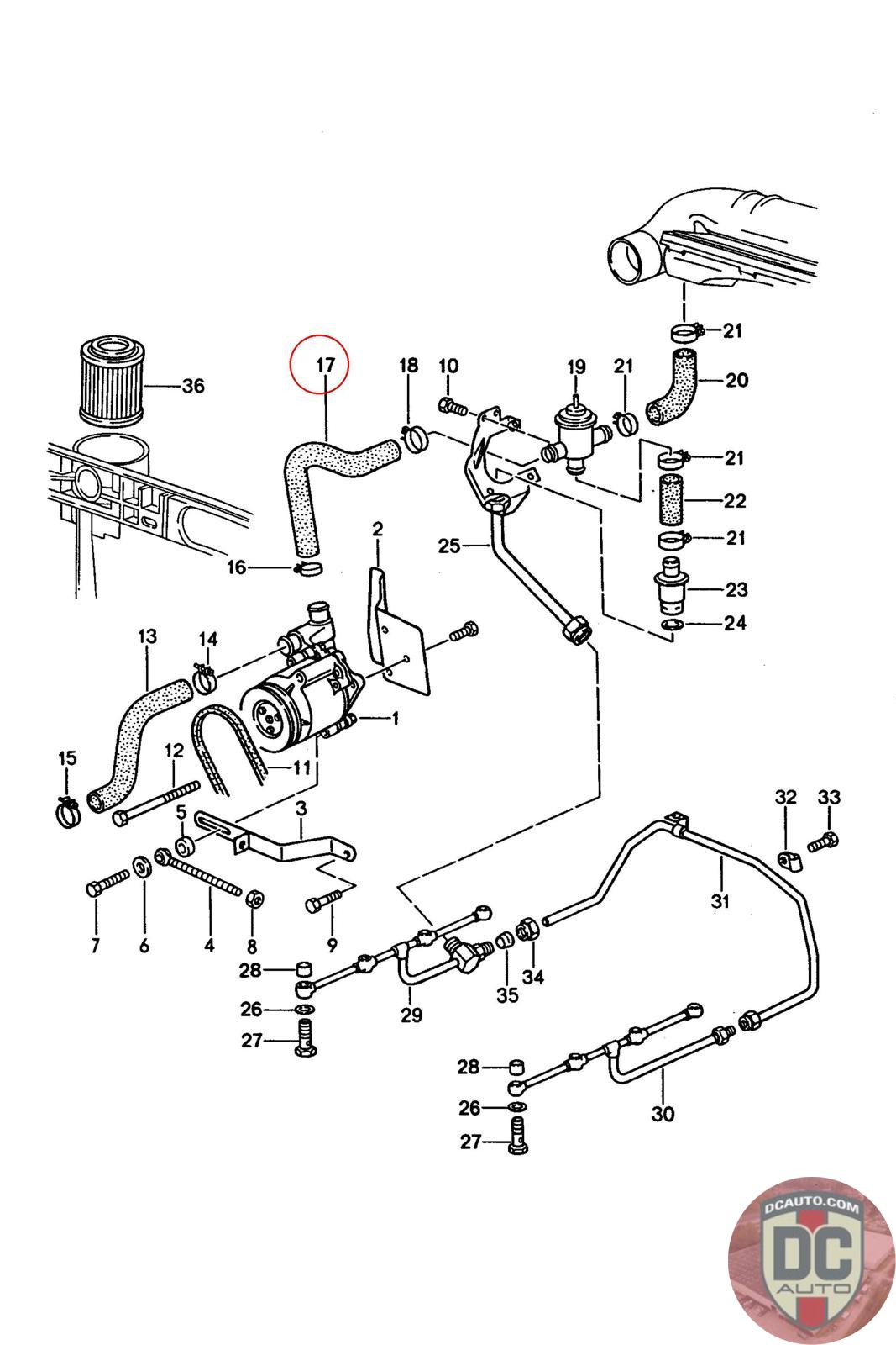
92811313910
HOSE, .
928 113 139 10
SELECT
PART NO
92811313910
DESCRIPTION
Note this is a special order item, delivery estimate 1-2 weeks.
CONDITION
NEW - GENUINE PORSCHE
MANUFACTURER
-
PRICE
$55.97
QTY
Available: 999
92811313910
Note this is a special order item, delivery estimate 1-2 weeks.
NEW - GENUINE PORSCHE
-
$
55.97
Available: 999