92834736500
BRACKET
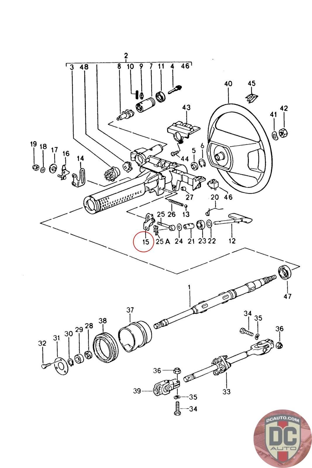
928 347 365 00
SELECT
PART NO
92834736500
DESCRIPTION
Note this is a special order item, delivery estimate 1-2 weeks.
CONDITION
NEW - GENUINE PORSCHE
MANUFACTURER
-
PRICE
$12.97
OUT OF STOCK
92834736500
Note this is a special order item, delivery estimate 1-2 weeks.
NEW - GENUINE PORSCHE
-
$
12.97
Available: 0