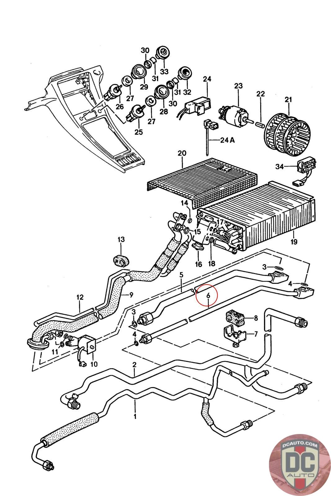
92857010302
REFRIGERANT LINE, NOTE ADDITIONAL SHIPPING DUE TO SIZE/WEIGHT
928 570 103 02 [92]
SELECT
SERIAL #
79687
DESCRIPTION
Good - Used
CONDITION
USED - A
MILEAGE
162411
79687
Good - Used
USED - A
162411
$
75.00
On Sale! $100.00
SEE MORE VEHICLE PHOTOS
Available: 1