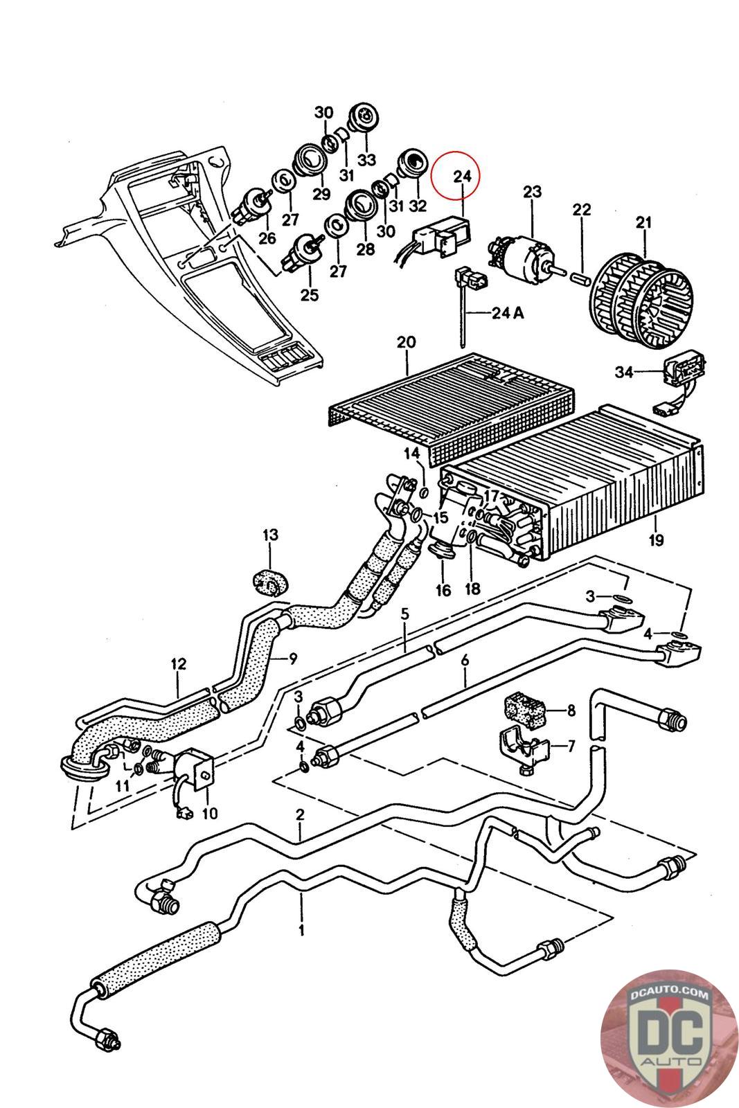
92861804101
CONTROL UNIT (1) ($)
928 618 041 01
SELECT
SERIAL #
79696
DESCRIPTION
Good - Used
CONDITION
USED - A
MILEAGE
162411
79696
Good - Used
USED - A
162411
$
56.25
On Sale! $75.00
SEE MORE VEHICLE PHOTOS
Available: 1
SELECT
SERIAL #
43732
DESCRIPTION
-
CONDITION
USED - X
MILEAGE
-
PRICE
$56.25
$75.00
QTY
Available: 999
43732
-
USED - X
-
$
56.25
On Sale! $75.00
Available: 999