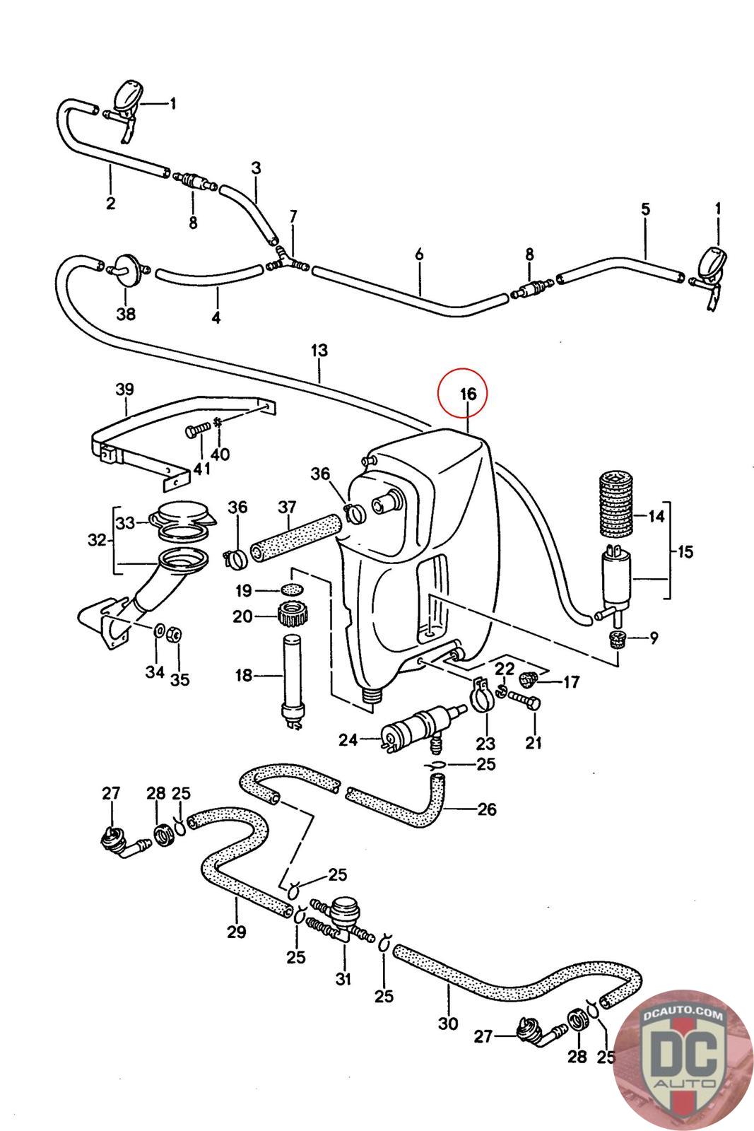
92852807501
CONTAINER
928 528 075 01
SELECT
SERIAL #
82809
DESCRIPTION
Cosmetic issues.
CONDITION
USED - X
MILEAGE
-
PRICE
$75.00
QTY
Available: 1
82809
Cosmetic issues.
USED - X
-
$
75.00
Available: 1
SELECT
SERIAL #
43411
DESCRIPTION
-
CONDITION
USED - X
MILEAGE
-
PRICE
$75.00
QTY
Available: 999
43411
-
USED - X
-
$
75.00
Available: 999