92842453501
SUPPORT
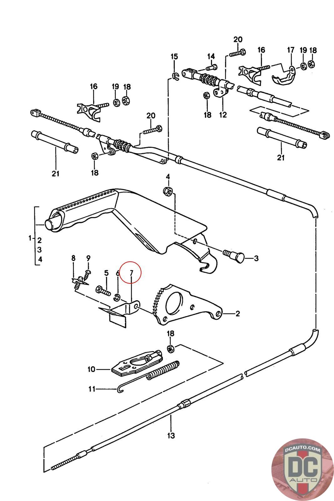
928 424 535 01
SELECT
PART NO
92842453501
DESCRIPTION
Note this is a special order item, delivery estimate 1-2 weeks.
CONDITION
NEW - GENUINE PORSCHE
MANUFACTURER
-
PRICE
$2.97
OUT OF STOCK
92842453501
Note this is a special order item, delivery estimate 1-2 weeks.
NEW - GENUINE PORSCHE
-
$
2.97
Available: 0