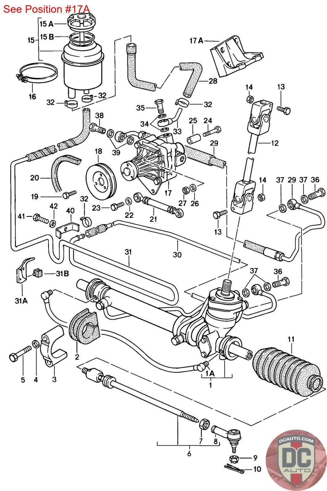
94410114700
BRACKET
944 101 147 00 [-84]
SELECT
SERIAL #
63853
DESCRIPTION
-
CONDITION
USED - X
MILEAGE
-
63853
-
USED - X
-