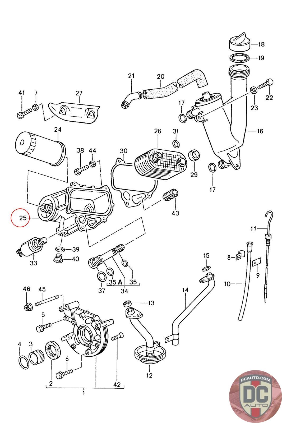
94410714905
OIL COOLER HOUSING *
944 107 149 05
SELECT
SERIAL #
46717
DESCRIPTION
-
CONDITION
USED - X
MILEAGE
-
46717
-
USED - X
-