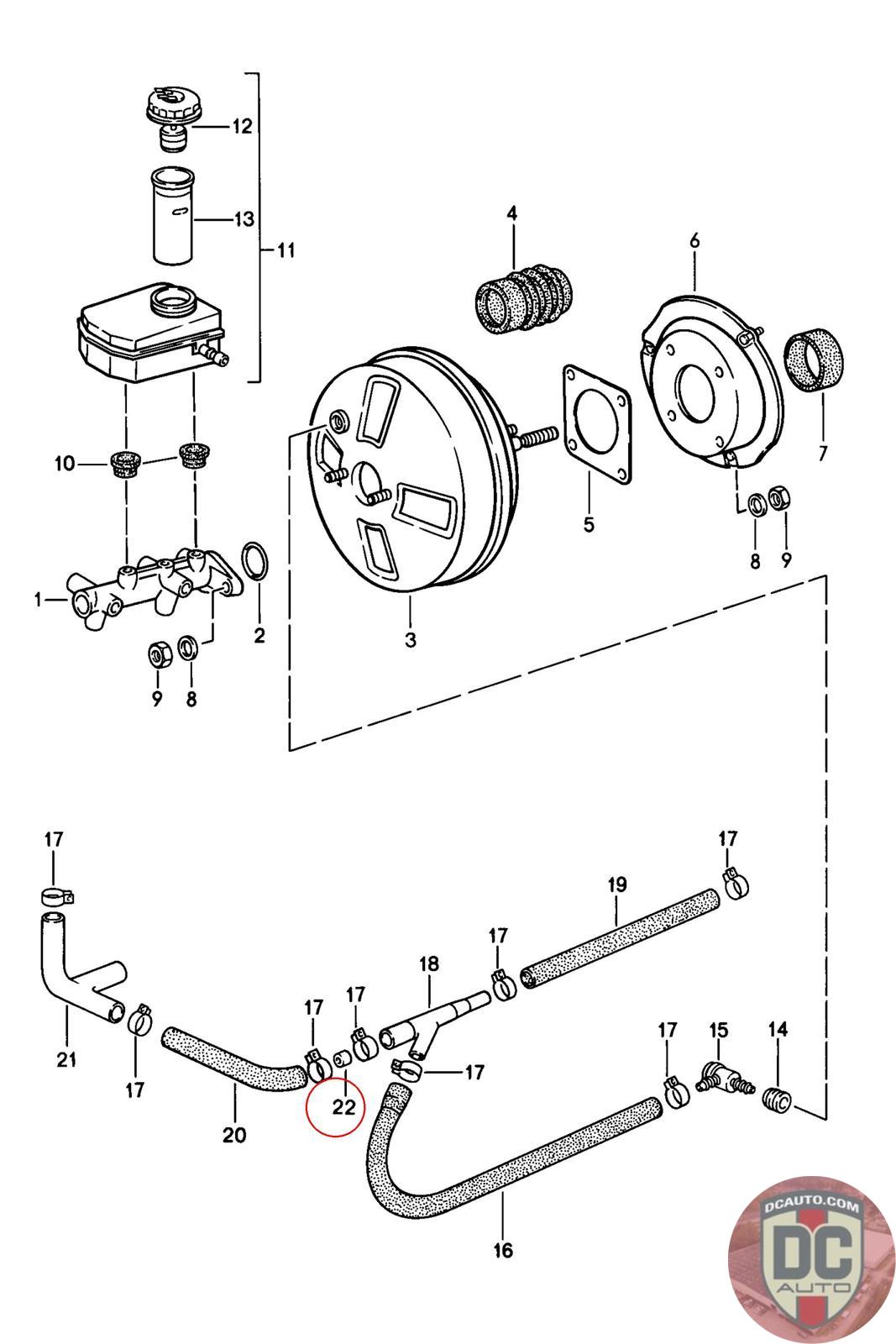
94411024101
BUSH
944 110 241 01
SELECT
PART NO
94411024101
DESCRIPTION
Note this is a special order item, delivery estimate 1-2 weeks.
CONDITION
NEW - GENUINE PORSCHE
MANUFACTURER
-
PRICE
$4.97
OUT OF STOCK
94411024101
Note this is a special order item, delivery estimate 1-2 weeks.
NEW - GENUINE PORSCHE
-
$
4.97
Available: 0