94412612302
BRACKET, WITH-AC, 12-2014 *
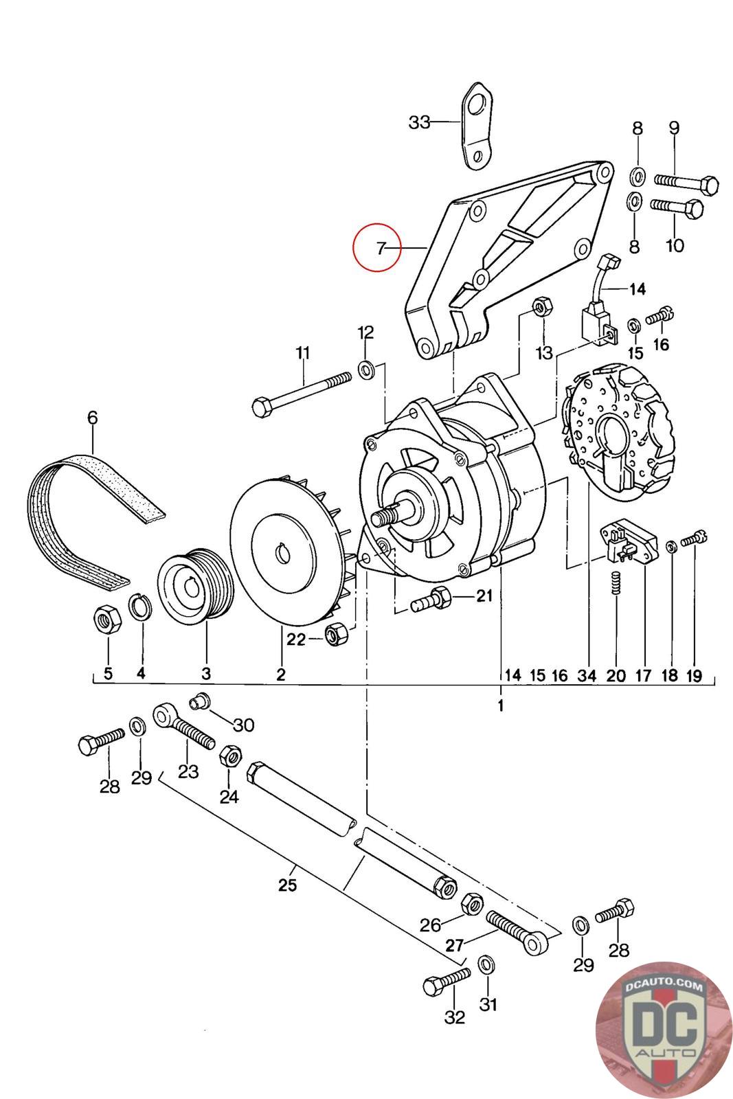
944 126 123 02 [M573]
SELECT
SERIAL #
64197
DESCRIPTION
-
CONDITION
USED - X
MILEAGE
-
64197
-
USED - X
-