95110624101
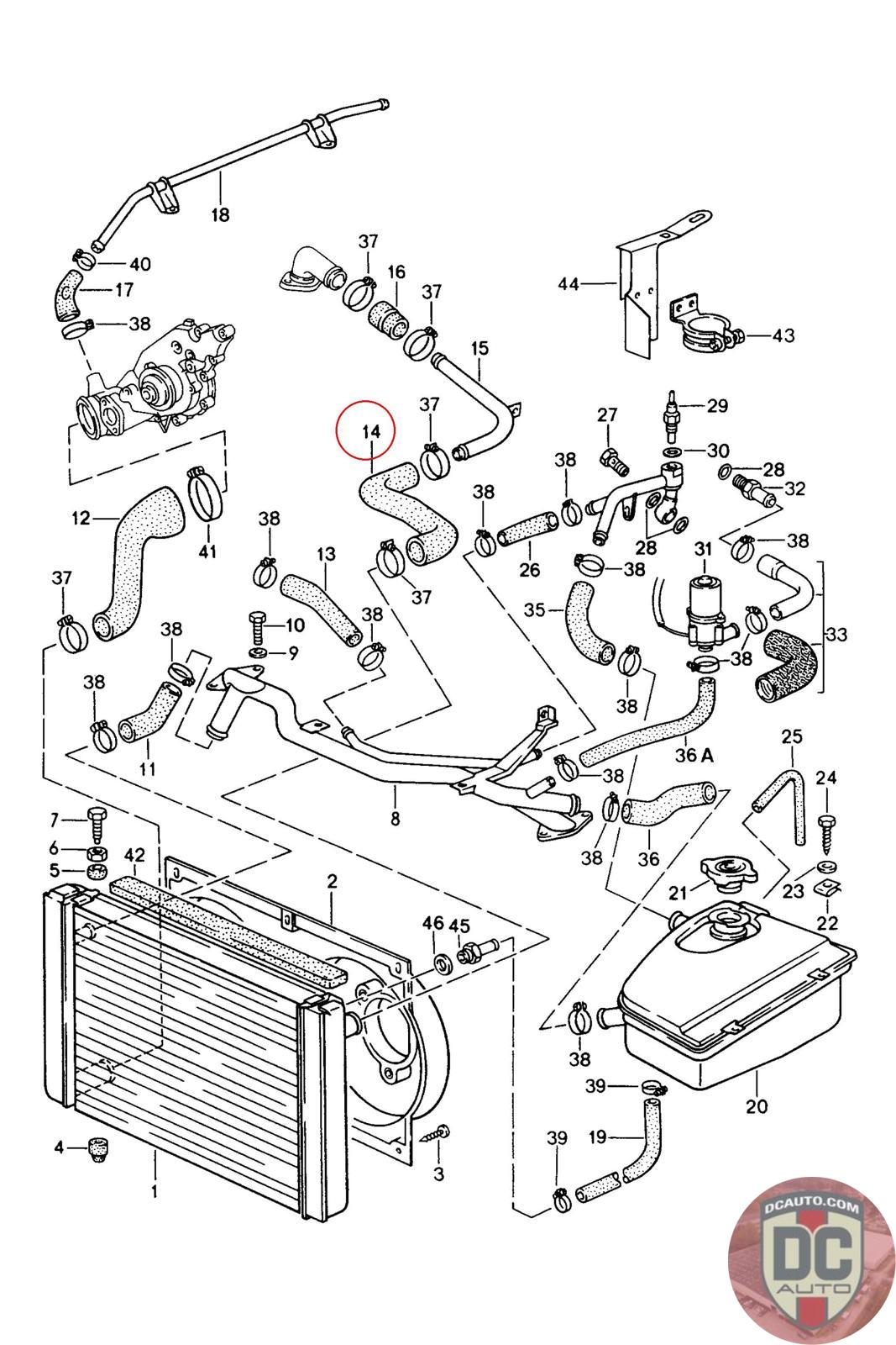
WATER HOSE - UPPER RADIATOR TO ELBOW PIPE, URO
951 106 241 01
SELECT
PART NO
95110624101
DESCRIPTION
Note this is a special order item, delivery estimate 1-2 weeks.
CONDITION
NEW - AFTERMARKET
MANUFACTURER
-
95110624101
Note this is a special order item, delivery estimate 1-2 weeks.
NEW - AFTERMARKET
-
SELECT
PART NO
95110624101
DESCRIPTION
New OEM. Never installed.
CONDITION
NEW - OEM
95110624101
New OEM. Never installed.
NEW - OEM