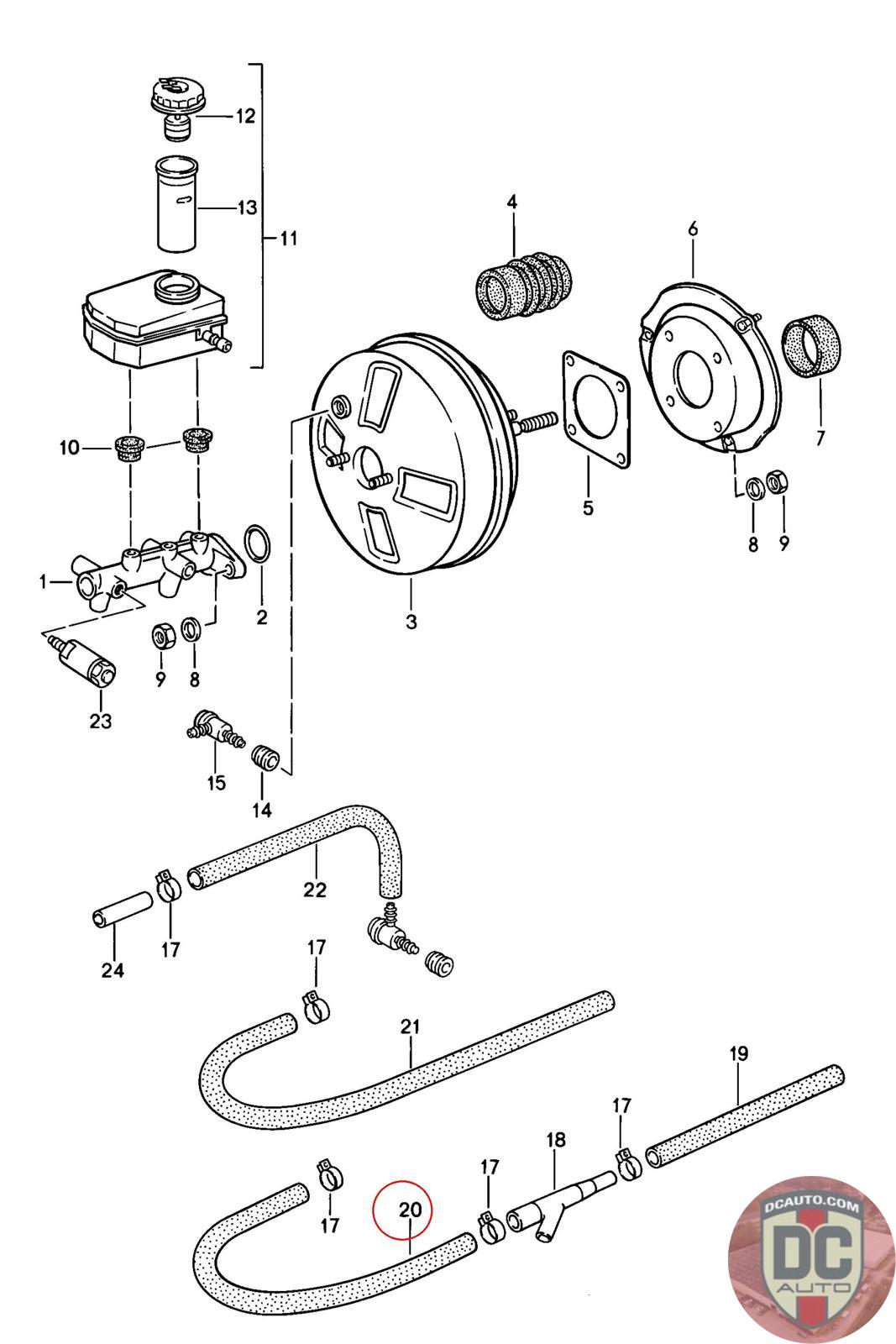
94411023100
HOSE
944 110 231 00 [944S]
SELECT
PART NO
94411023100
DESCRIPTION
Note this is a special order item, delivery estimate 1-2 weeks.
CONDITION
NEW - GENUINE PORSCHE
MANUFACTURER
-
PRICE
$18.97
QTY
Available: 999
94411023100
Note this is a special order item, delivery estimate 1-2 weeks.
NEW - GENUINE PORSCHE
-
$
18.97
Available: 999