94411023101
RUBBER HOSE, SUPERSEDED TO 94411023102
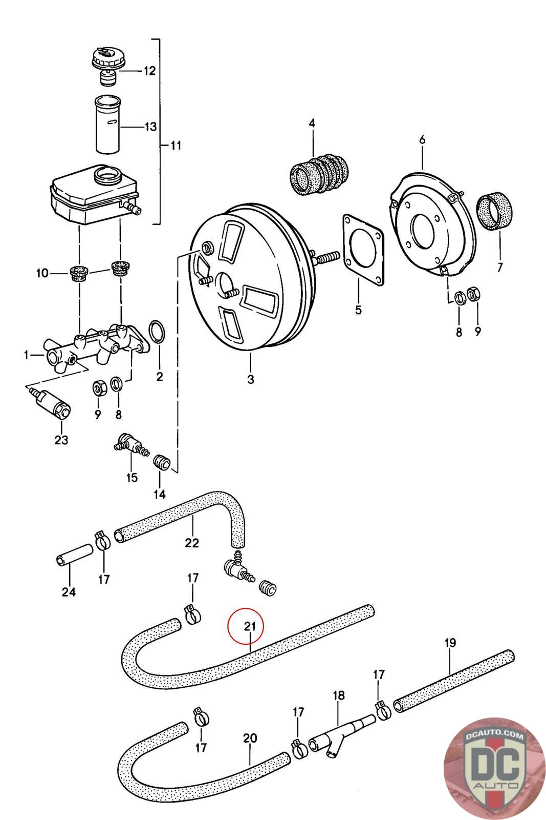
944 110 231 01 [944S]
SELECT
PART NO
94411023101
DESCRIPTION
Note this is a special order item, delivery estimate 1-2 weeks.
CONDITION
NEW - GENUINE PORSCHE
MANUFACTURER
-
PRICE
$23.97
QTY
Available: 999
94411023101
Note this is a special order item, delivery estimate 1-2 weeks.
NEW - GENUINE PORSCHE
-
$
23.97
Available: 999