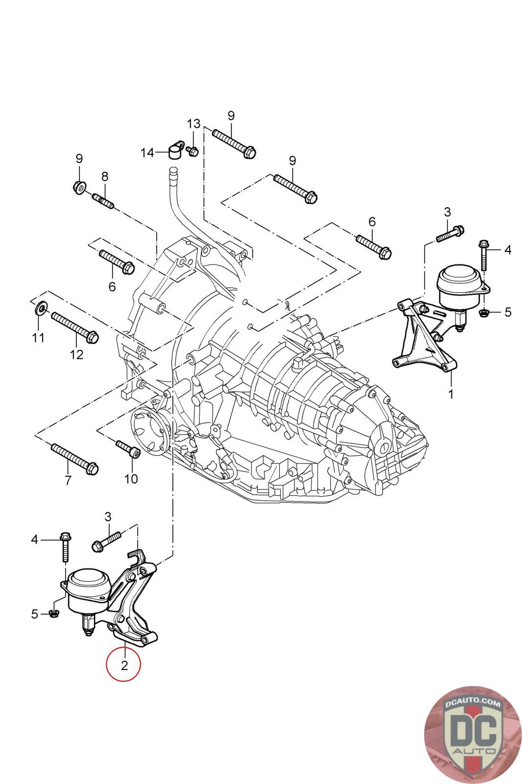
98737509301
TRANSMISSION BRACKET AND MOUNT, SUPERSEDED TO 98737509302
987 375 093 01 [Left]
SELECT
SERIAL #
100537
DESCRIPTION
Good used.
CONDITION
USED - A
MILEAGE
40638
100537
Good used.
USED - A
40638
$
75.00
SEE MORE VEHICLE PHOTOS
Available: 1
SELECT
SERIAL #
70428
DESCRIPTION
-
CONDITION
USED - X
MILEAGE
-
PRICE
$75.00
QTY
Available: 999
70428
-
USED - X
-
$
75.00
Available: 999