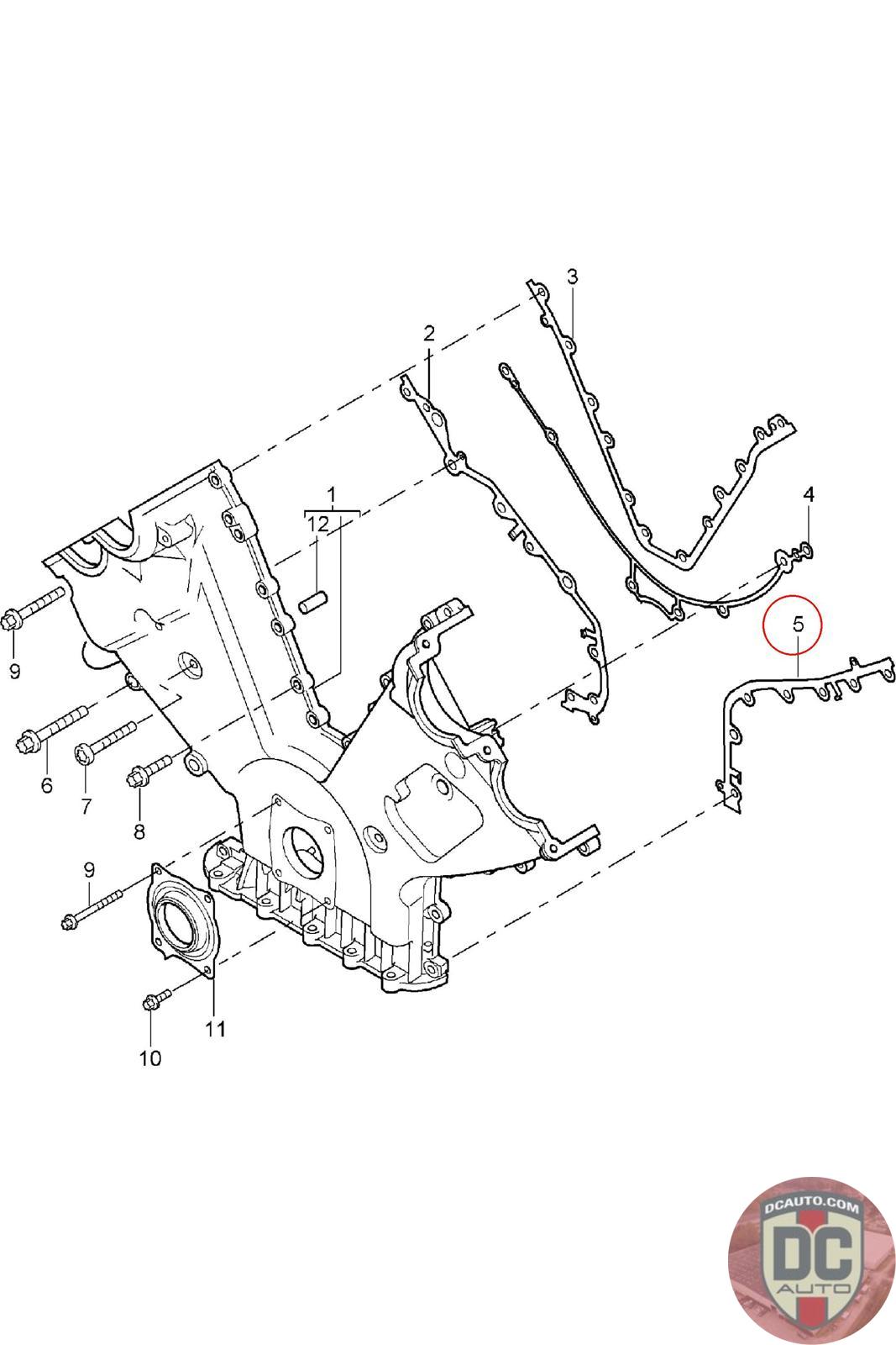
94810112904
GASKET, .
948 101 129 04
SELECT
PART NO
94810112904
DESCRIPTION
Note this is a special order item, delivery estimate 1-2 weeks.
CONDITION
NEW - GENUINE PORSCHE
MANUFACTURER
-
PRICE
$17.97
QTY
Available: 999
94810112904
Note this is a special order item, delivery estimate 1-2 weeks.
NEW - GENUINE PORSCHE
-
$
17.97
Available: 999