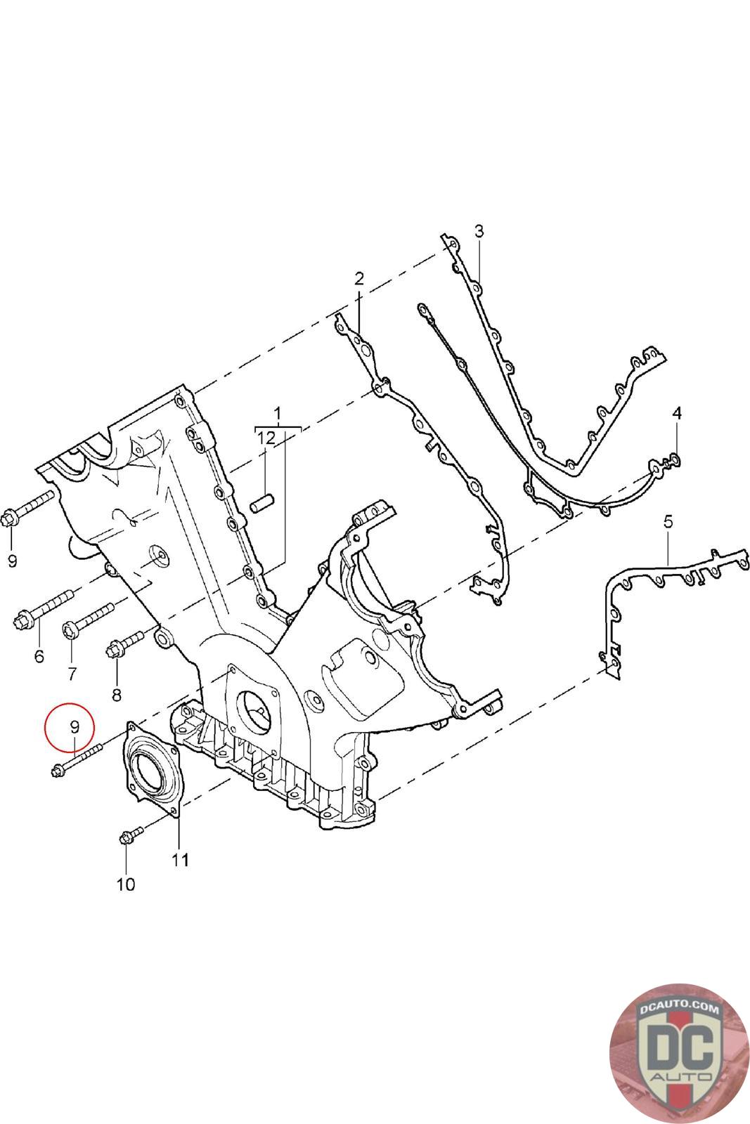
90038507009
TORX SCREW BM 6X50, .
900 385 070 09
SELECT
PART NO
90038507009
DESCRIPTION
Note this is a special order item, delivery estimate 1-2 weeks.
CONDITION
NEW - GENUINE PORSCHE
MANUFACTURER
-
PRICE
$1.97
OUT OF STOCK
90038507009
Note this is a special order item, delivery estimate 1-2 weeks.
NEW - GENUINE PORSCHE
-
$
1.97
Available: 0