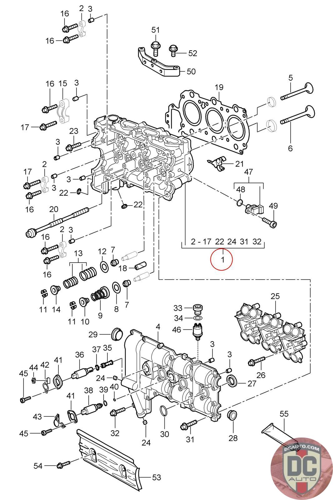
99610491300
CYLINDER HEAD CYL. 1 - 3, WITH COVER, WITH VALVES, NO CAMS *
996 104 913 00 [9605]
SELECT
SERIAL #
71403
DESCRIPTION
-
CONDITION
USED - X
MILEAGE
-
PRICE
$675.00
$900.00
QTY
Available: 999
71403
-
USED - X
-
$
675.00
On Sale! $900.00
Available: 999