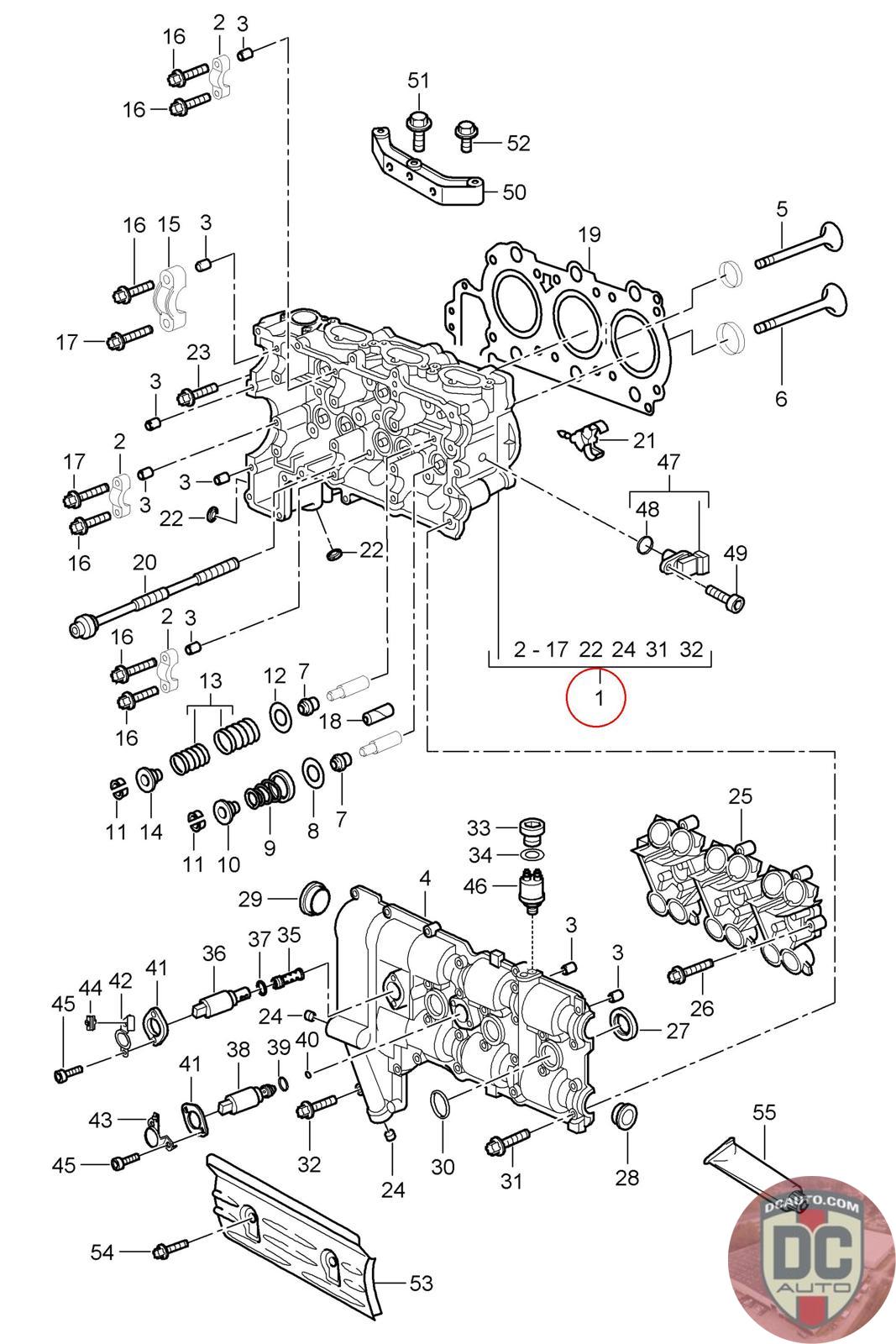
99610491400
CYLINDER HEAD CYL. 4 - 6, WITH COVER, WITH VALVES, NO CAMS *
996 104 914 00 [9605]
SELECT
SERIAL #
71404
DESCRIPTION
-
CONDITION
USED - X
MILEAGE
-
PRICE
$675.00
$900.00
QTY
Available: 999
71404
-
USED - X
-
$
675.00
On Sale! $900.00
Available: 999