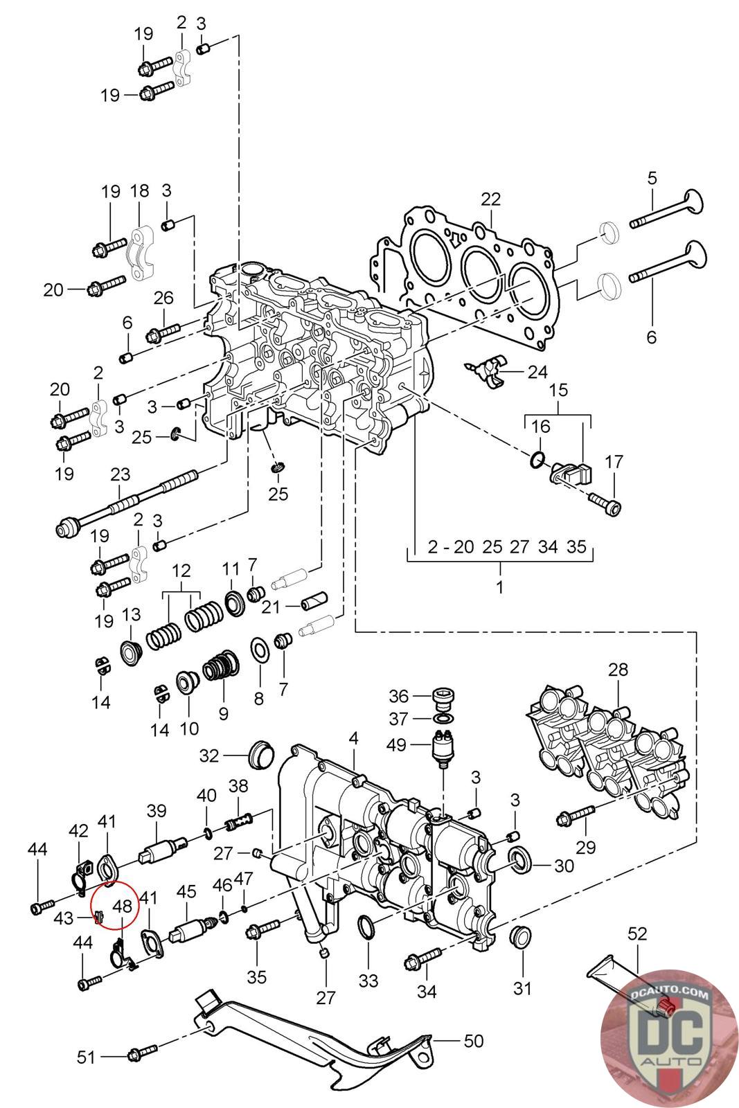
99610531003
SUPPORT
996 105 310 03
SELECT
SERIAL #
71490
DESCRIPTION
-
CONDITION
USED - X
MILEAGE
-
71490
-
USED - X
-