99731422500
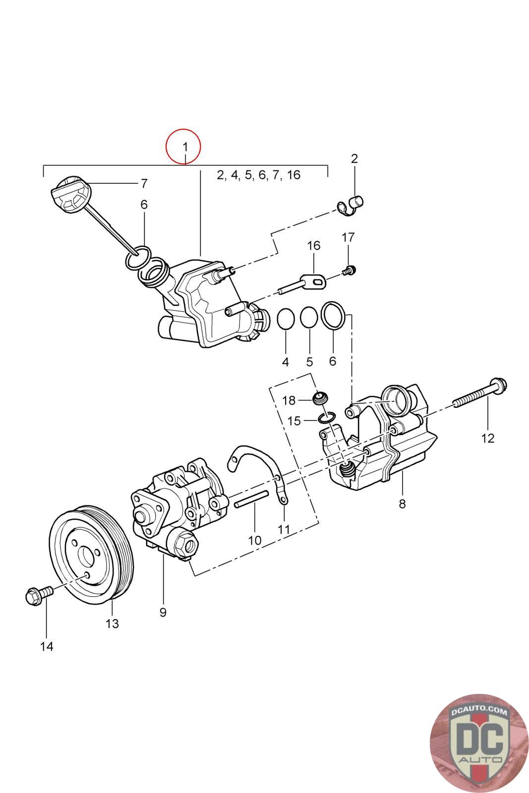
POWER STEERING FLUID RESERVOIR, UPPER
997 314 225 00
SELECT
SERIAL #
43081
DESCRIPTION
-
CONDITION
USED - X
MILEAGE
-
43081
-
USED - X
-