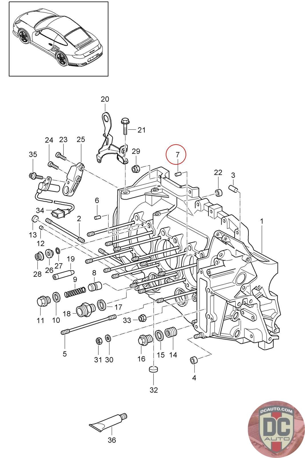
90001205700
STRAIGHT PIN A6.0X14
900 012 057 00
SELECT
PART NO
90001205700
DESCRIPTION
Note this is a special order item, delivery estimate 1-2 weeks.
CONDITION
NEW - GENUINE PORSCHE
MANUFACTURER
-
PRICE
$2.97
QTY
Available: 999
90001205700
Note this is a special order item, delivery estimate 1-2 weeks.
NEW - GENUINE PORSCHE
-
$
2.97
Available: 999