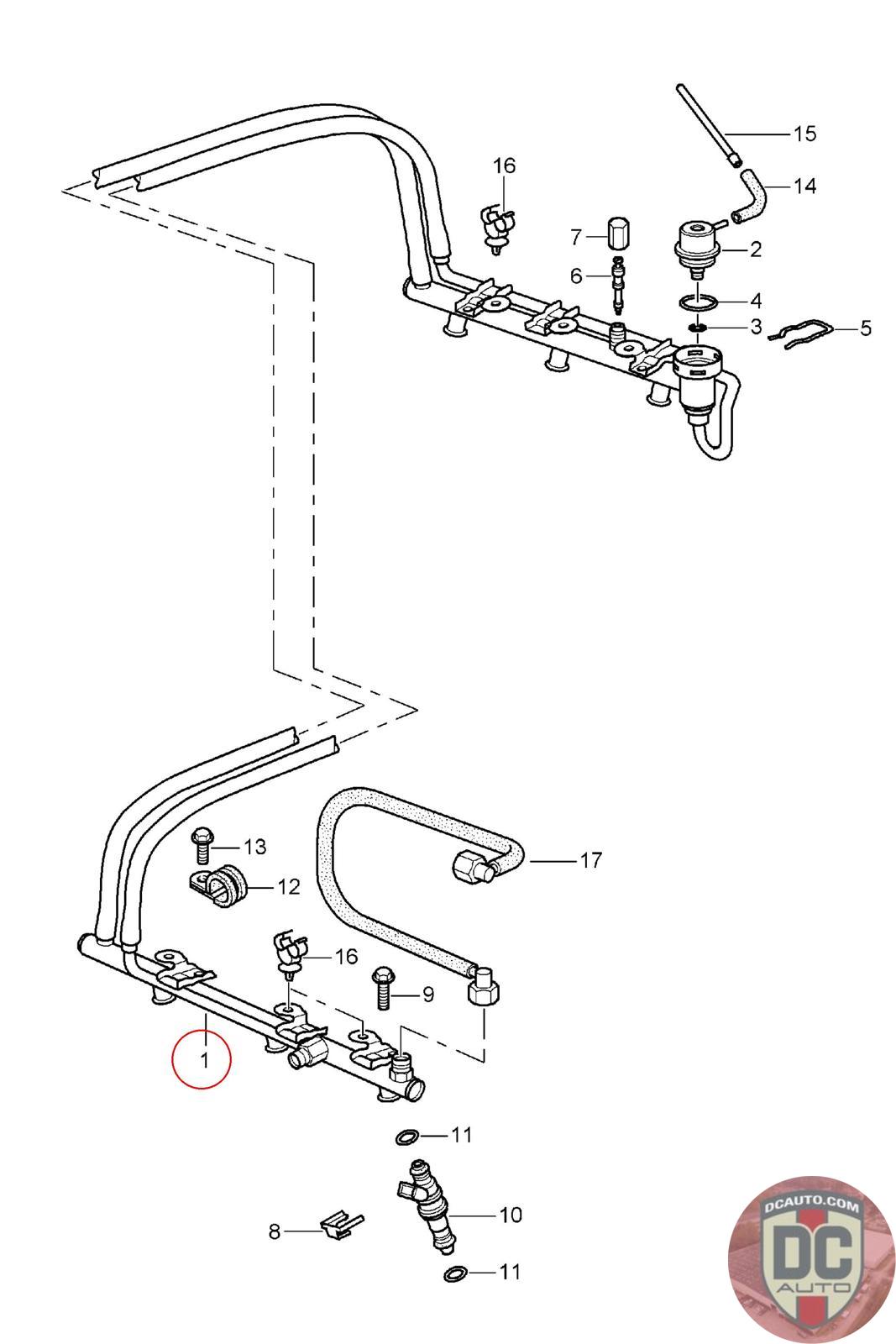
99611003451
FUEL RAIL, SUPERSEDED TO 99611093450, 99611093452
996 110 034 51 [2000]
SELECT
SERIAL #
71788
DESCRIPTION
-
CONDITION
USED - X
MILEAGE
-
PRICE
$131.25
$175.00
QTY
Available: 996
71788
-
USED - X
-
$
131.25
On Sale! $175.00
Available: 996