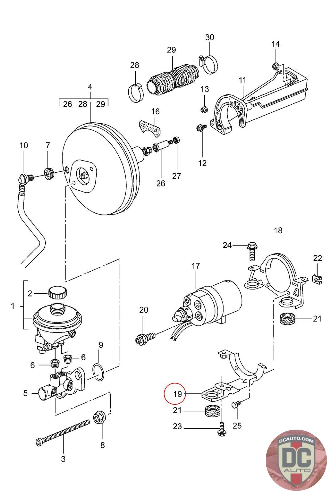
99635517040
SUPPORT
996 355 170 40 [Turbo]
SELECT
PART NO
99635517040
DESCRIPTION
Note this is a special order item, delivery estimate 1-2 weeks.
CONDITION
NEW - GENUINE PORSCHE
MANUFACTURER
-
PRICE
$19.97
QTY
Available: 999
99635517040
Note this is a special order item, delivery estimate 1-2 weeks.
NEW - GENUINE PORSCHE
-
$
19.97
Available: 999
SELECT
SERIAL #
105595
DESCRIPTION
Good used.
CONDITION
USED - A
MILEAGE
45000
105595
Good used.
USED - A
45000
$
10.00
SEE MORE VEHICLE PHOTOS
Available: 1