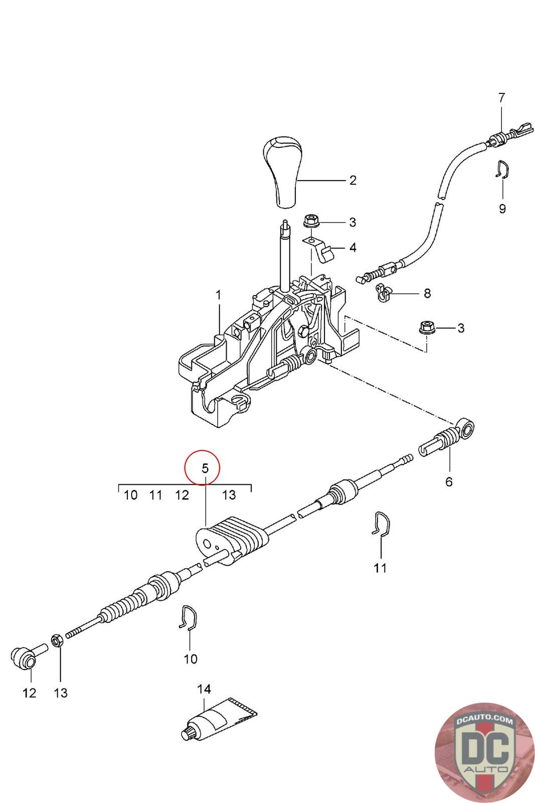
99642603351
SHIFT CABLE, SUPERSEDED TO 99642603352
996 426 033 51 [2003]
SELECT
SERIAL #
72651
DESCRIPTION
-
CONDITION
USED - X
MILEAGE
-
PRICE
$100.00
QTY
Available: 999
72651
-
USED - X
-
$
100.00
Available: 999