99660701903
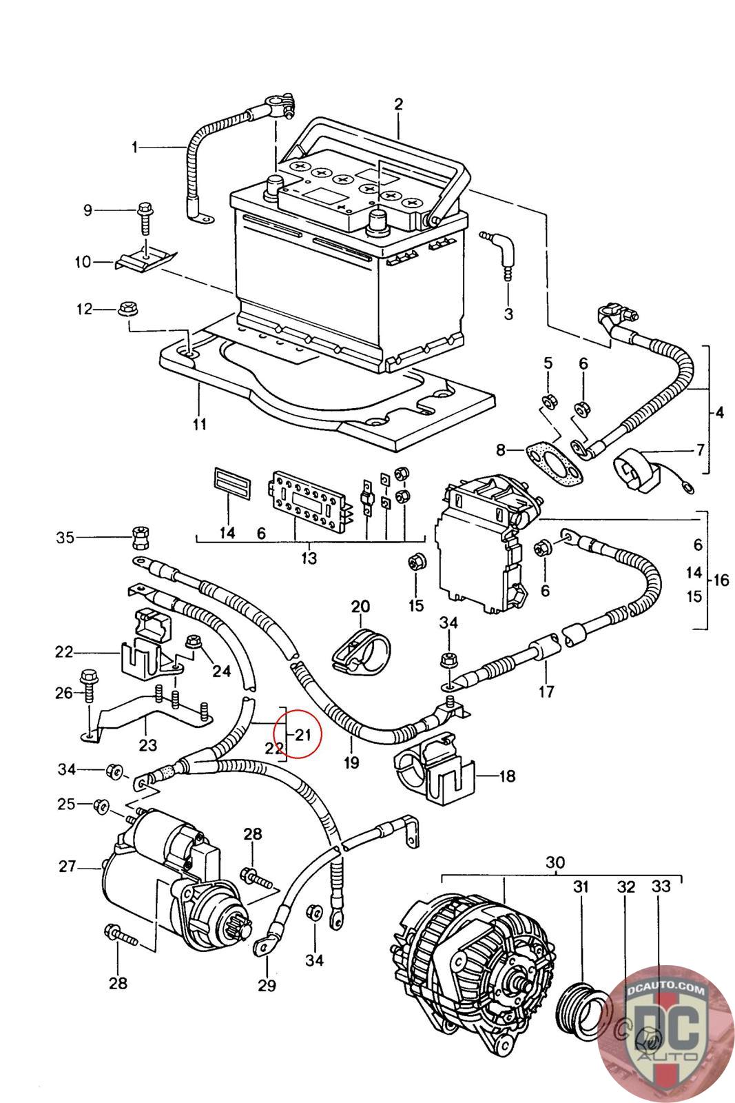
WIRING HARNESS WITH CONNECTION POINT GENERATOR STARTER M 664 12968 >> M 684 02283 >> X51 *
996 607 019 03
SELECT
SERIAL #
73654
DESCRIPTION
-
CONDITION
USED - X
MILEAGE
-
PRICE
$22.50
$30.00
QTY
Available: 998
73654
-
USED - X
-
$
22.50
On Sale! $30.00
Available: 998