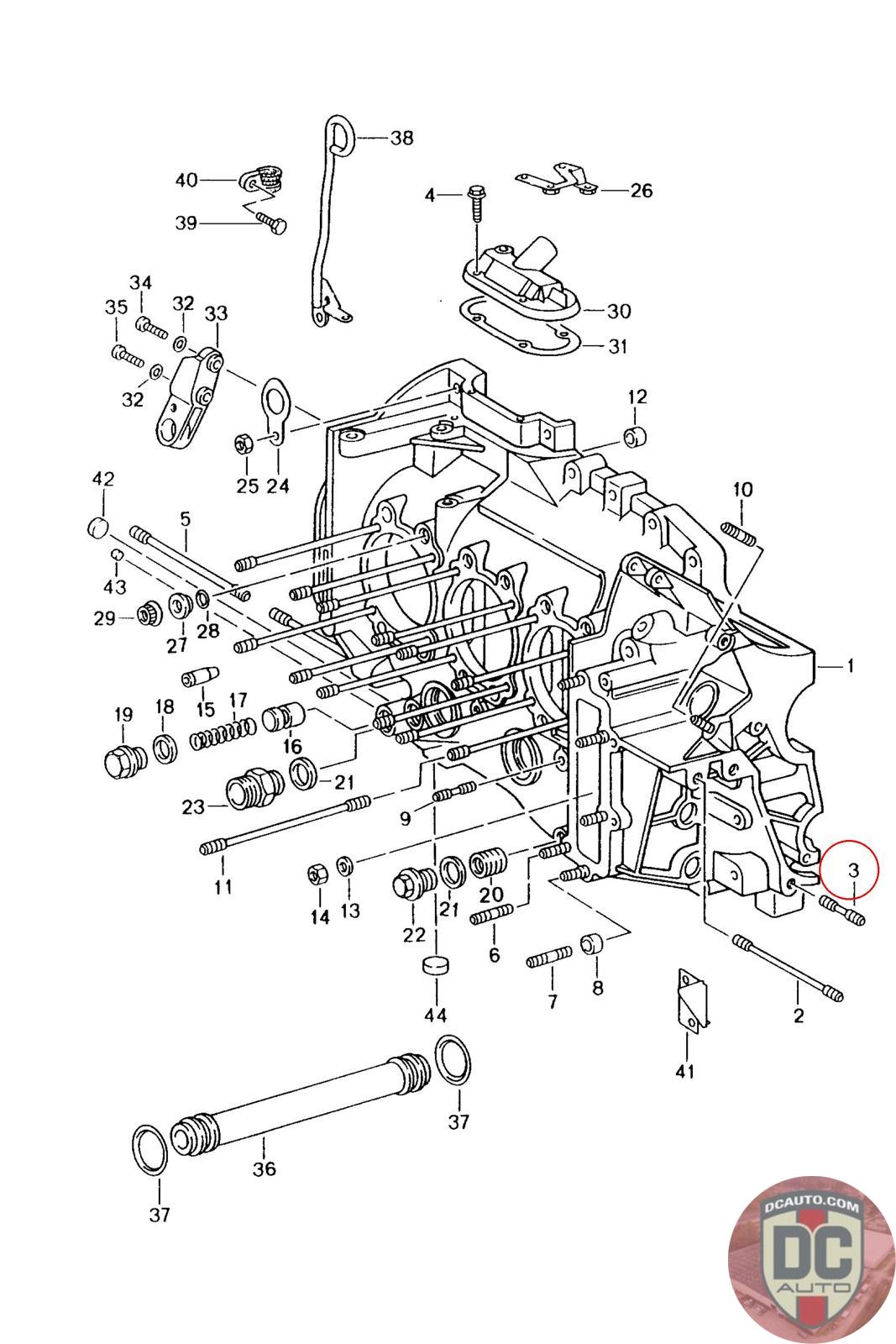
99906231609
STUD M10X38
999 062 316 09
SELECT
PART NO
99906231609
DESCRIPTION
Note this is a special order item, delivery estimate 1-2 weeks.
CONDITION
NEW - GENUINE PORSCHE
MANUFACTURER
-
PRICE
$6.97
QTY
Available: 999
99906231609
Note this is a special order item, delivery estimate 1-2 weeks.
NEW - GENUINE PORSCHE
-
$
6.97
Available: 999