99906209102
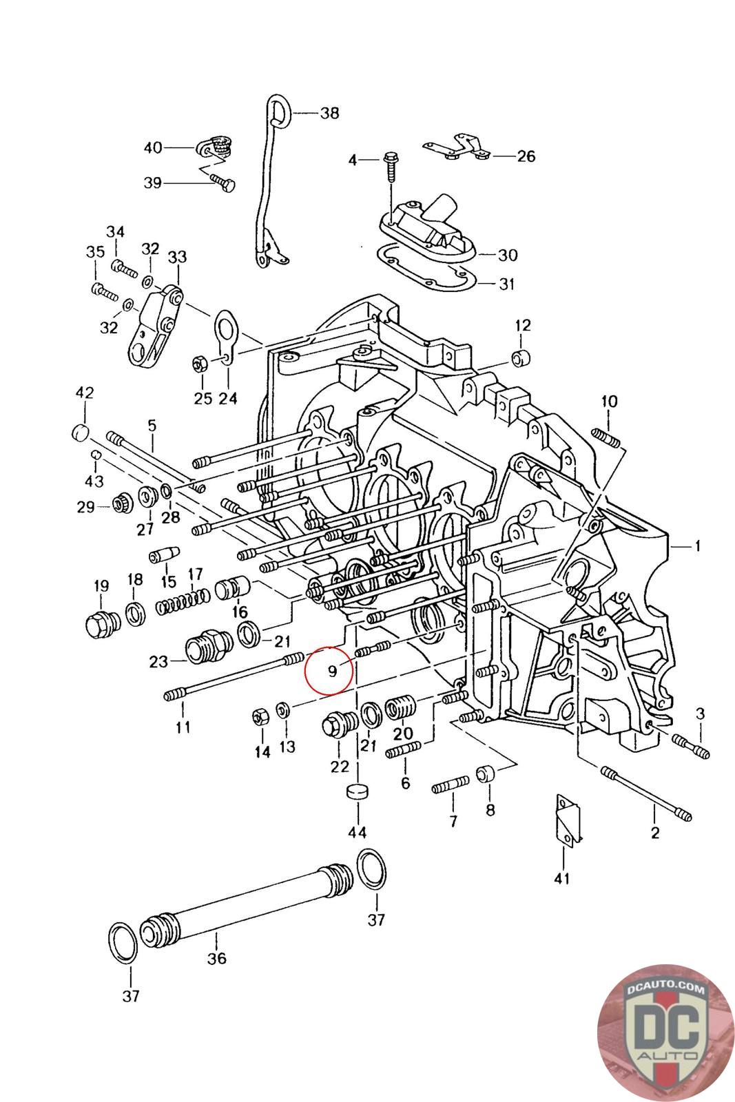
STUD M6X30
999 062 091 02
SELECT
PART NO
99906209102
DESCRIPTION
Note this is a special order item, delivery estimate 1-2 weeks.
CONDITION
NEW - GENUINE PORSCHE
MANUFACTURER
-
PRICE
$3.97
QTY
Available: 999
99906209102
Note this is a special order item, delivery estimate 1-2 weeks.
NEW - GENUINE PORSCHE
-
$
3.97
Available: 999