96410102050
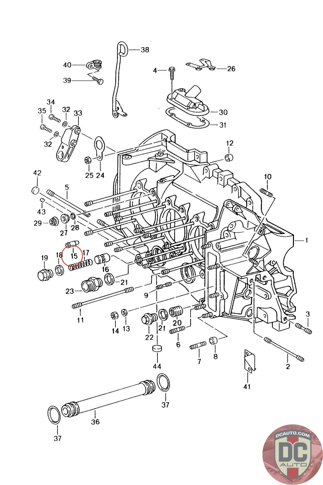
SPLASH VALVE OVERSIZE
964 101 020 50
SELECT
PART NO
96410102050
DESCRIPTION
Note this is a special order item, delivery estimate 1-2 weeks.
CONDITION
NEW - GENUINE PORSCHE
MANUFACTURER
-
PRICE
$57.97
QTY
Available: 999
96410102050
Note this is a special order item, delivery estimate 1-2 weeks.
NEW - GENUINE PORSCHE
-
$
57.97
Available: 999