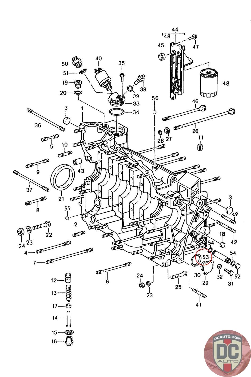
99310721651
CONNECTING PIECE
993 107 216 51 [M64.60, Turbo]
SELECT
SERIAL #
70539
DESCRIPTION
-
CONDITION
USED - X
MILEAGE
-
PRICE
$11.25
$15.00
QTY
Available: 999
70539
-
USED - X
-
$
11.25
On Sale! $15.00
Available: 999