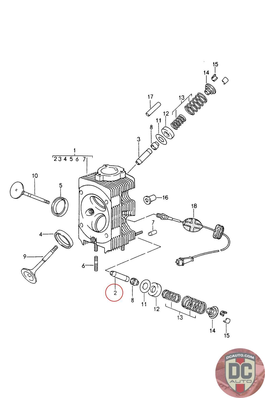
99310432171
VALVE GUIDE 1ST OVERSIZE, EXHAUST, SUPERSEDED TO 99310432172
993 104 321 71
SELECT
PART NO
99310432171
DESCRIPTION
Note this is a special order item, delivery estimate 1-2 weeks.
CONDITION
NEW - GENUINE PORSCHE
MANUFACTURER
-
PRICE
$7.97
QTY
Available: 999
99310432171
Note this is a special order item, delivery estimate 1-2 weeks.
NEW - GENUINE PORSCHE
-
$
7.97
Available: 999