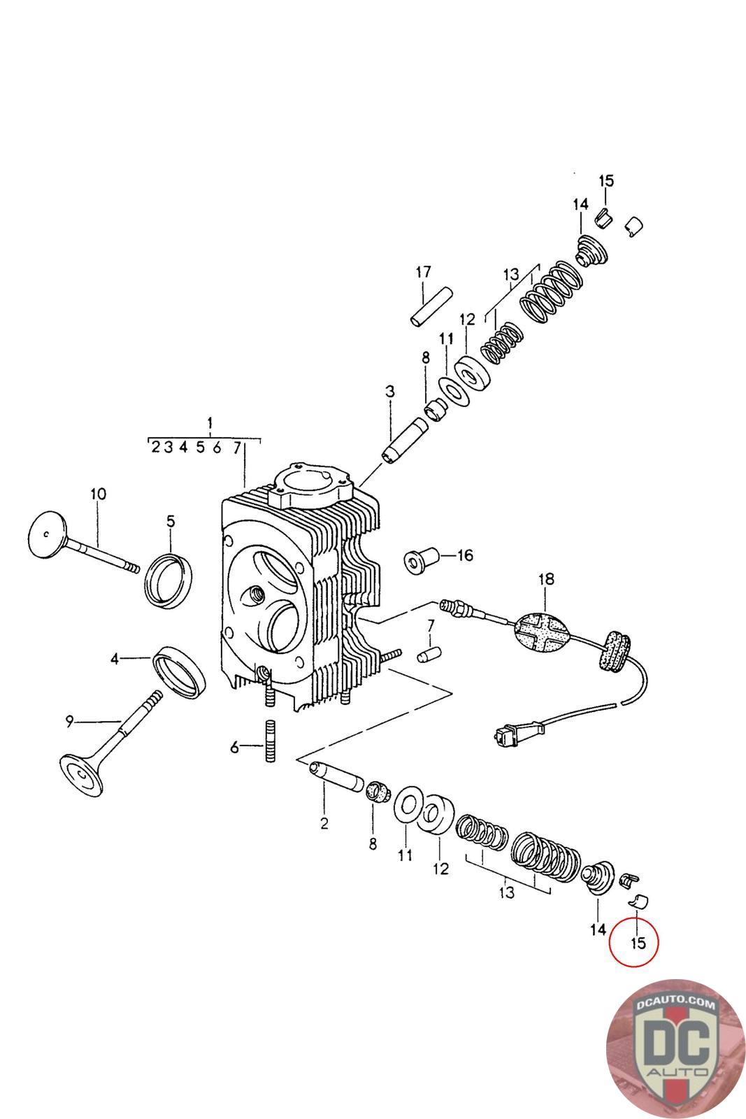
99310541700
COLLET
993 105 417 00
SELECT
PART NO
99310541700
DESCRIPTION
Note this is a special order item, delivery estimate 1-2 weeks.
CONDITION
NEW - GENUINE PORSCHE
MANUFACTURER
-
PRICE
$3.97
QTY
Available: 999
99310541700
Note this is a special order item, delivery estimate 1-2 weeks.
NEW - GENUINE PORSCHE
-
$
3.97
Available: 999