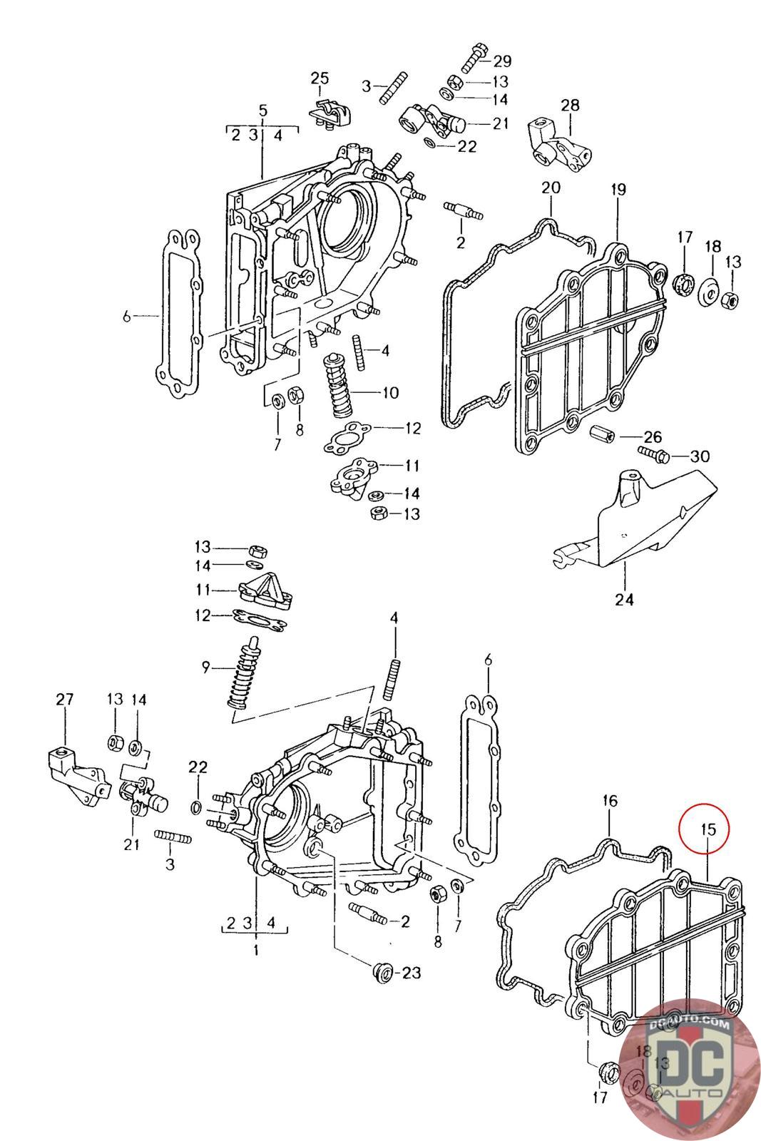
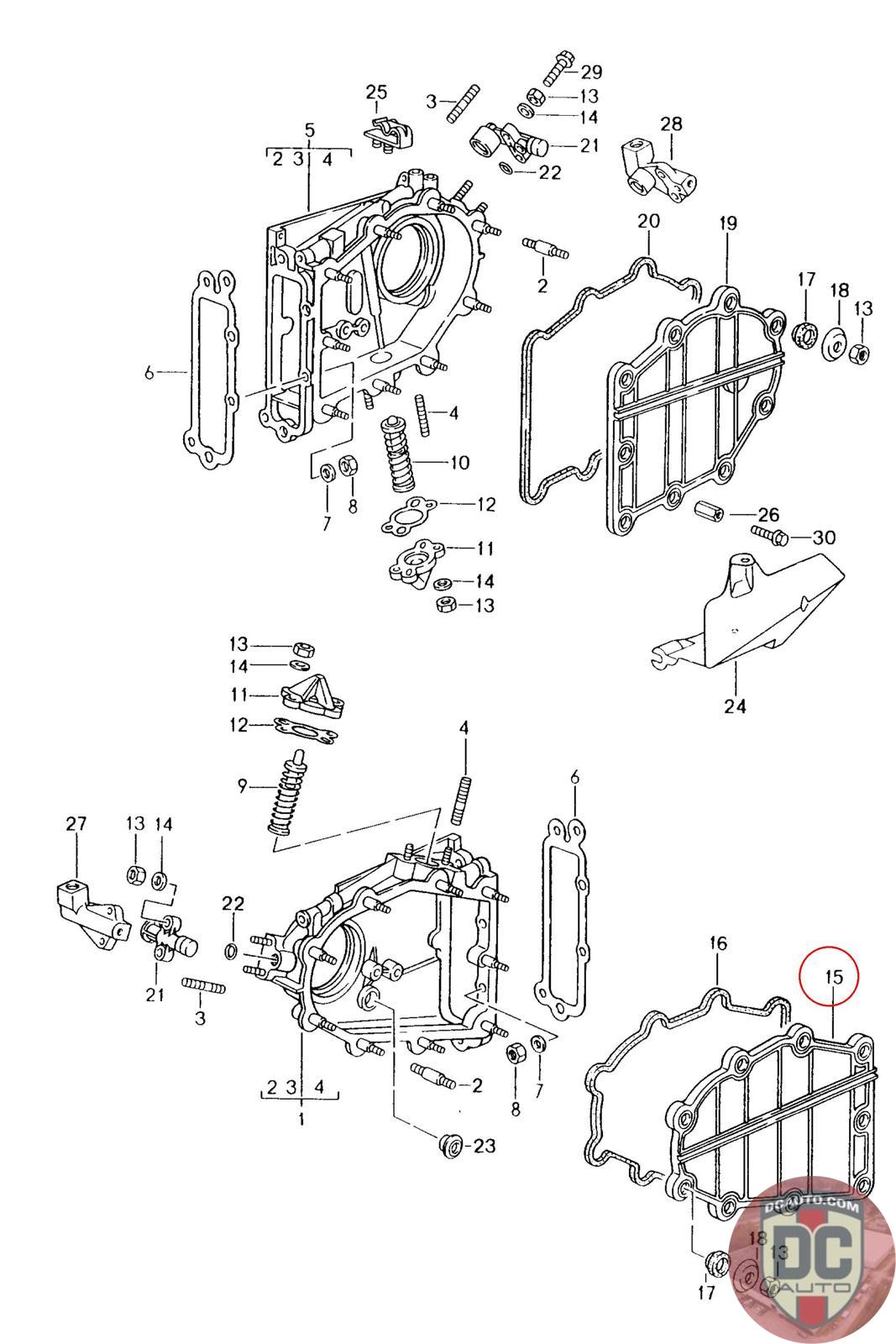
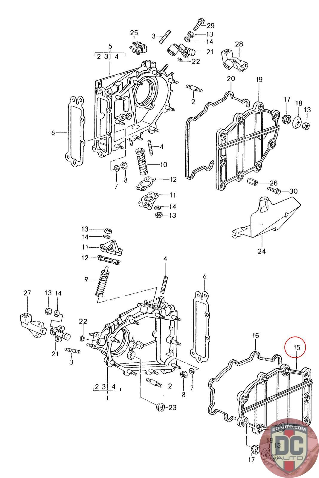
96410510701
TIMING CHAIN COVER SUPERSEDED TO 99310510700, 96410510700
964 105 107 01 [Left]
SELECT
SERIAL #
87657
DESCRIPTION
Good used. Has some corrosion on the outside
CONDITION
USED - C
MILEAGE
-
87657
Good used. Has some corrosion on the outside
USED - C
-
SELECT
SERIAL #
87658
DESCRIPTION
Has some cosmetic issues. Cover looks like it may have been burned
CONDITION
USED - X
MILEAGE
-
87658
Has some cosmetic issues. Cover looks like it may have been burned
USED - X
-
SELECT
SERIAL #
87656
DESCRIPTION
Has some cosmetic issues. Cover is bent
CONDITION
USED - X
MILEAGE
-
87656
Has some cosmetic issues. Cover is bent
USED - X
-