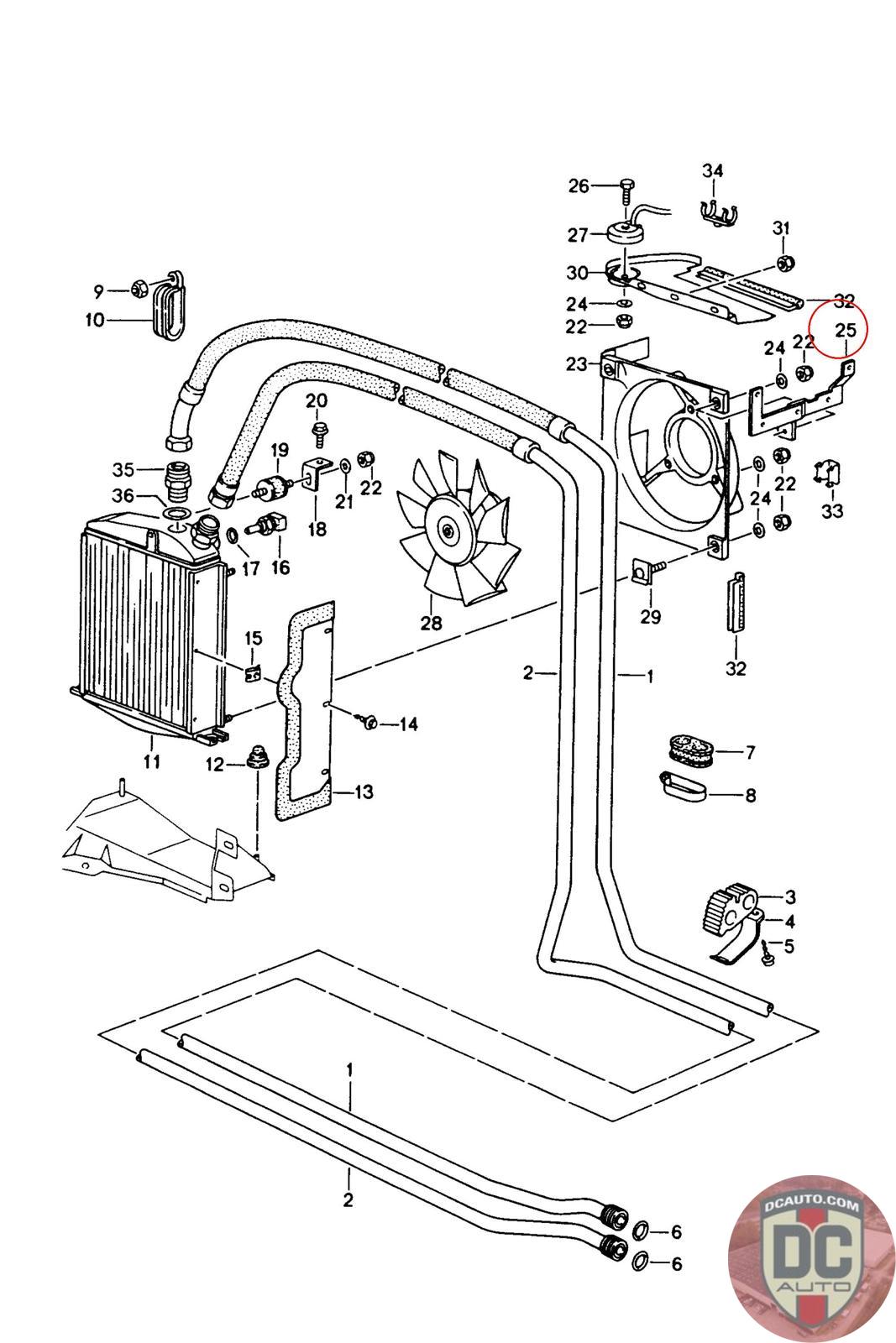
99361280700
CABLE HOLDER
993 612 807 00
SELECT
PART NO
99361280700
DESCRIPTION
Note this is a special order item, delivery estimate 1-2 weeks.
CONDITION
NEW - GENUINE PORSCHE
MANUFACTURER
-
PRICE
$4.97
QTY
Available: 999
99361280700
Note this is a special order item, delivery estimate 1-2 weeks.
NEW - GENUINE PORSCHE
-
$
4.97
Available: 999