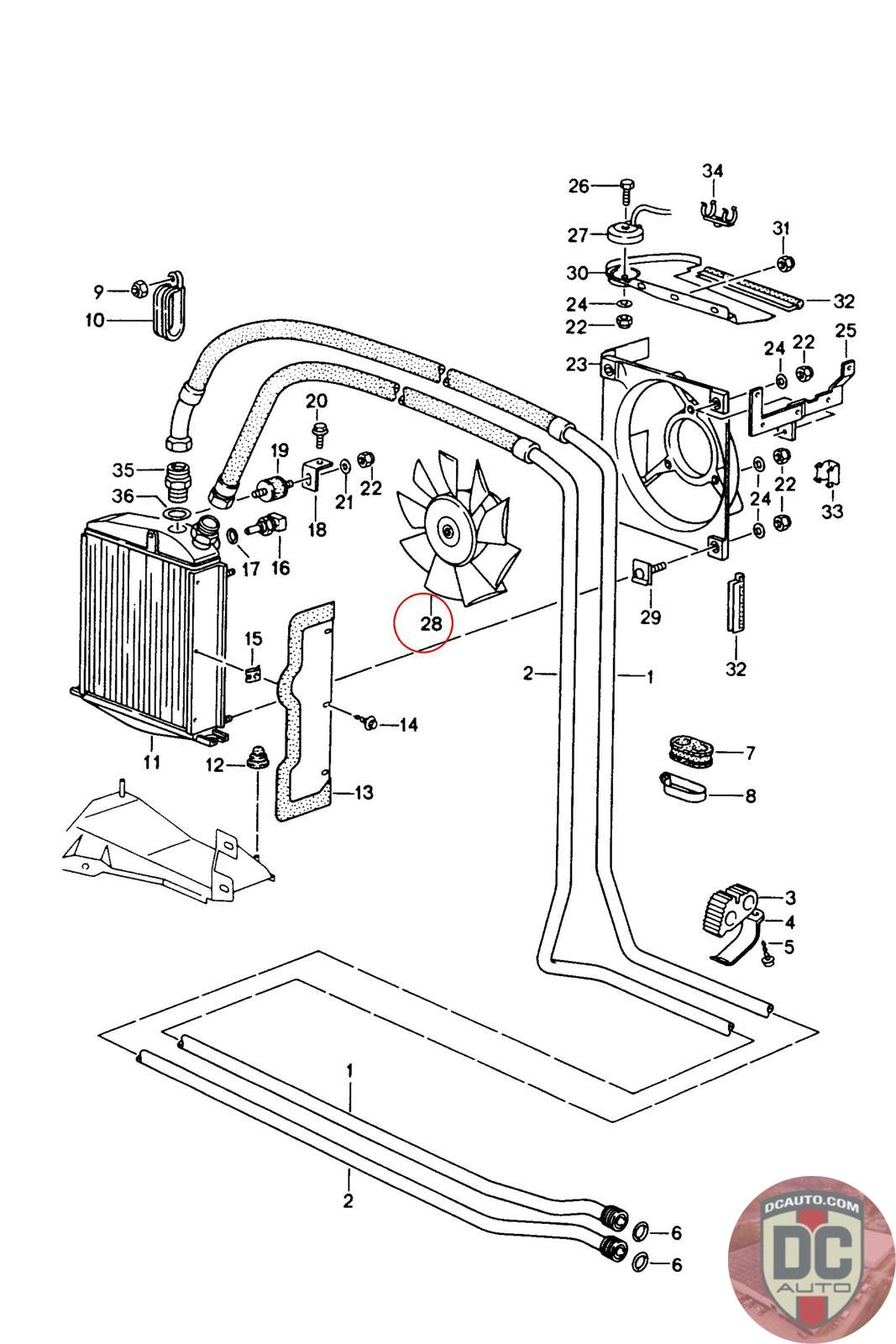
96462403500
FAN
964 624 035 00
119964
Good used.
USED - A
20652
$
112.50
On Sale! $150.00
SEE MORE VEHICLE PHOTOS
Available: 1
SELECT
SERIAL #
43650
DESCRIPTION
-
CONDITION
USED - X
MILEAGE
-
PRICE
$112.50
$150.00
QTY
Available: 996
43650
-
USED - X
-
$
112.50
On Sale! $150.00
Available: 996