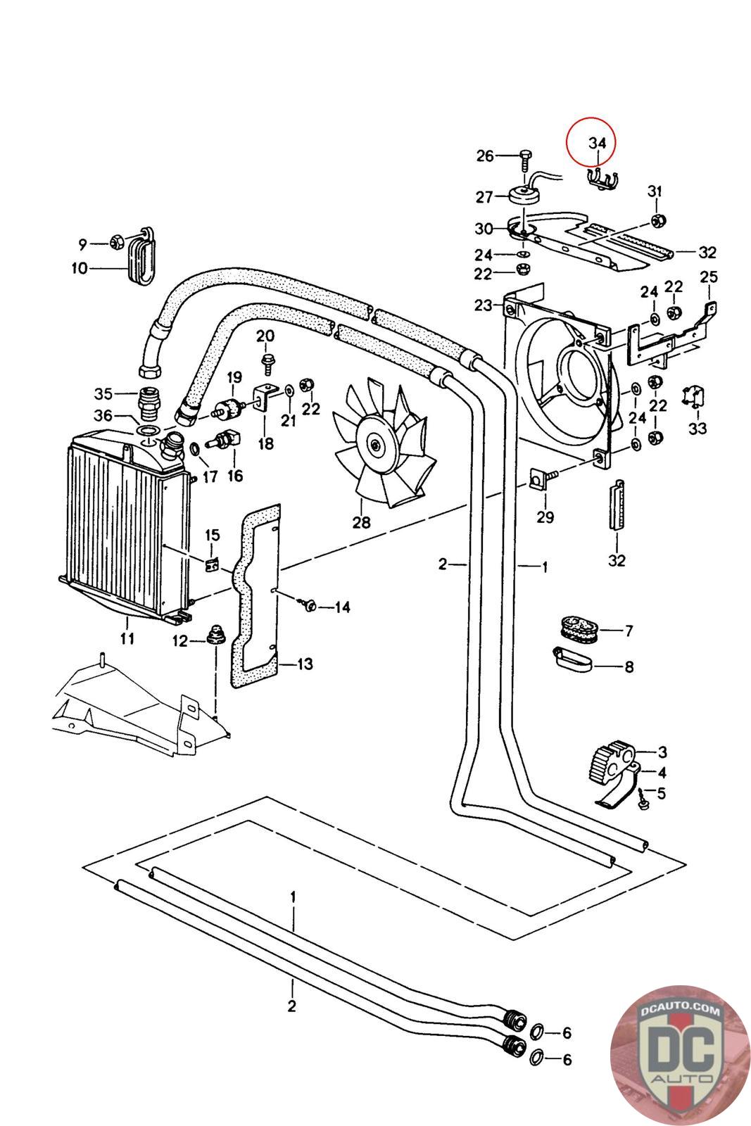
99965120340
CABLE HOLDER CLIP
999 651 203 40
SELECT
PART NO
99965120340
DESCRIPTION
Note this is a special order item, delivery estimate 1-2 weeks.
CONDITION
NEW - GENUINE PORSCHE
MANUFACTURER
-
99965120340
Note this is a special order item, delivery estimate 1-2 weeks.
NEW - GENUINE PORSCHE
-
SELECT
PART NO
99965120340
DESCRIPTION
New
CONDITION
NEW - OEM
99965120340
New
NEW - OEM