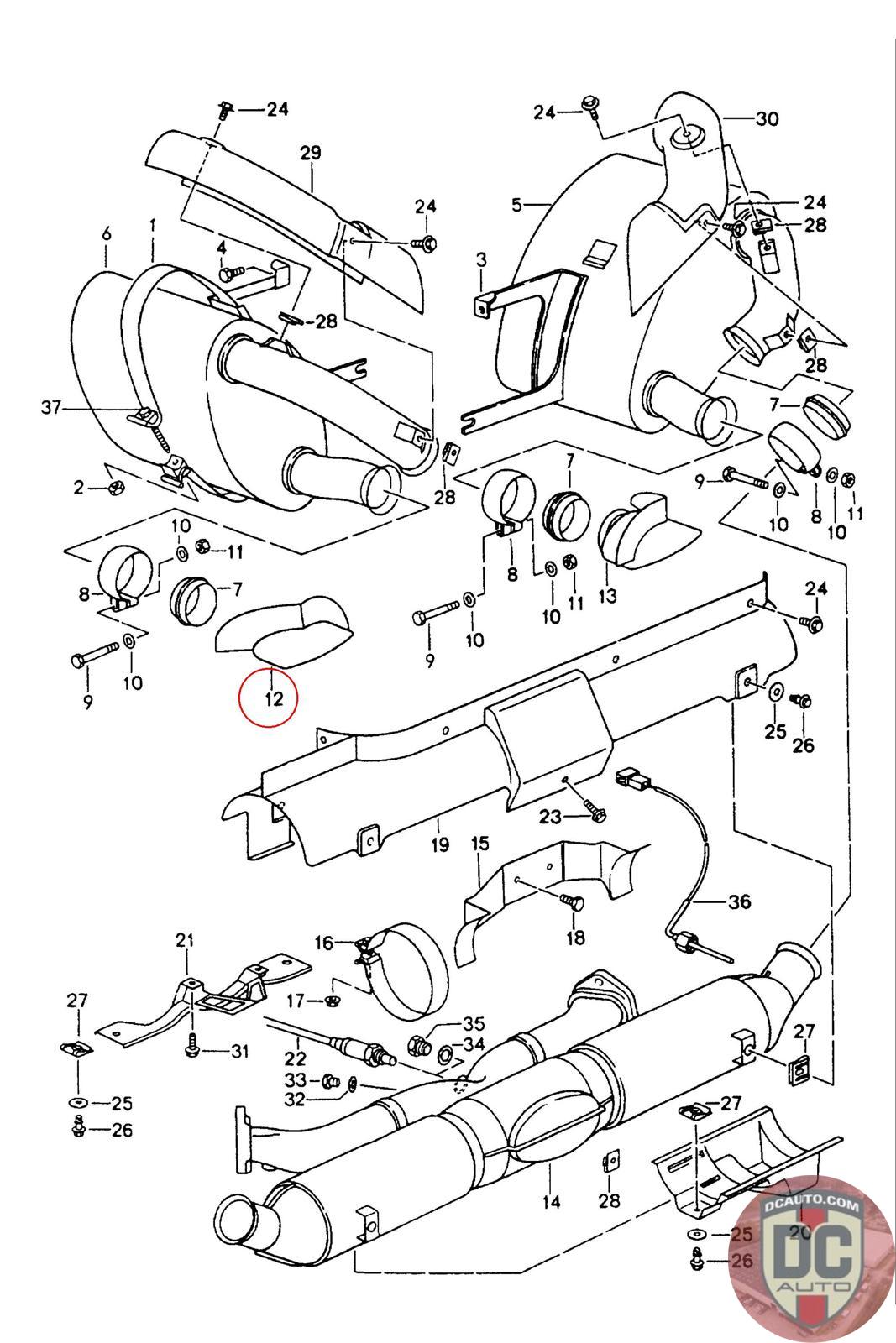
99311125151
EXHAUST TIP, SUPERSEDED TO 99311125156
993 111 251 51 [Left, 1996-] [Turbo Look C4S, Carrera S]
SELECT
SERIAL #
70611
DESCRIPTION
-
CONDITION
USED - X
MILEAGE
-
PRICE
$187.50
$250.00
QTY
Available: 999
70611
-
USED - X
-
$
187.50
On Sale! $250.00
Available: 999