95030303506
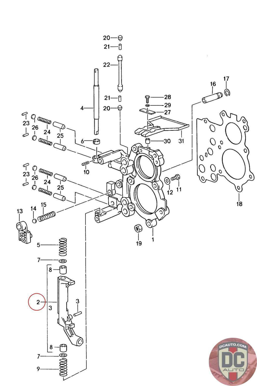
REVERSE LEVER
950 303 035 06
SELECT
SERIAL #
65744
DESCRIPTION
-
CONDITION
USED - X
MILEAGE
-
PRICE
$375.00
QTY
Available: 999
65744
-
USED - X
-
$
375.00
Available: 999