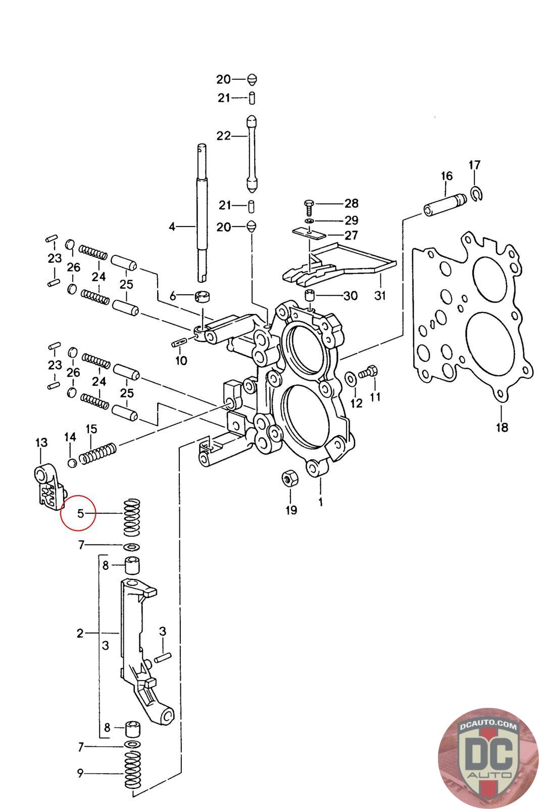
95030313321
COMPRESSION SPRING
950 303 133 21
SELECT
PART NO
95030313321
DESCRIPTION
Note this is a special order item, delivery estimate 1-2 weeks.
CONDITION
NEW - GENUINE PORSCHE
MANUFACTURER
-
95030313321
Note this is a special order item, delivery estimate 1-2 weeks.
NEW - GENUINE PORSCHE
-