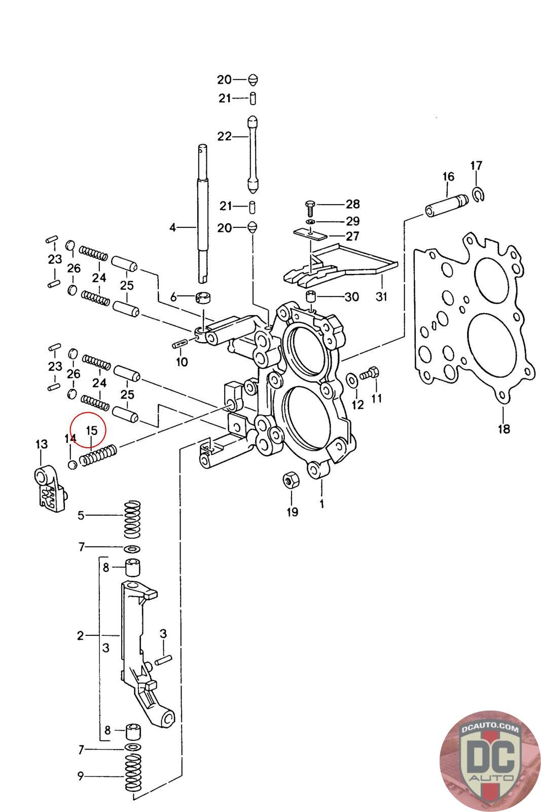
95030313700
COMPRESSION SPRING
950 303 137 00
SELECT
PART NO
95030313700
DESCRIPTION
Note this is a special order item, delivery estimate 1-2 weeks.
CONDITION
NEW - GENUINE PORSCHE
MANUFACTURER
-
PRICE
$8.97
OUT OF STOCK
95030313700
Note this is a special order item, delivery estimate 1-2 weeks.
NEW - GENUINE PORSCHE
-
$
8.97
Available: 0