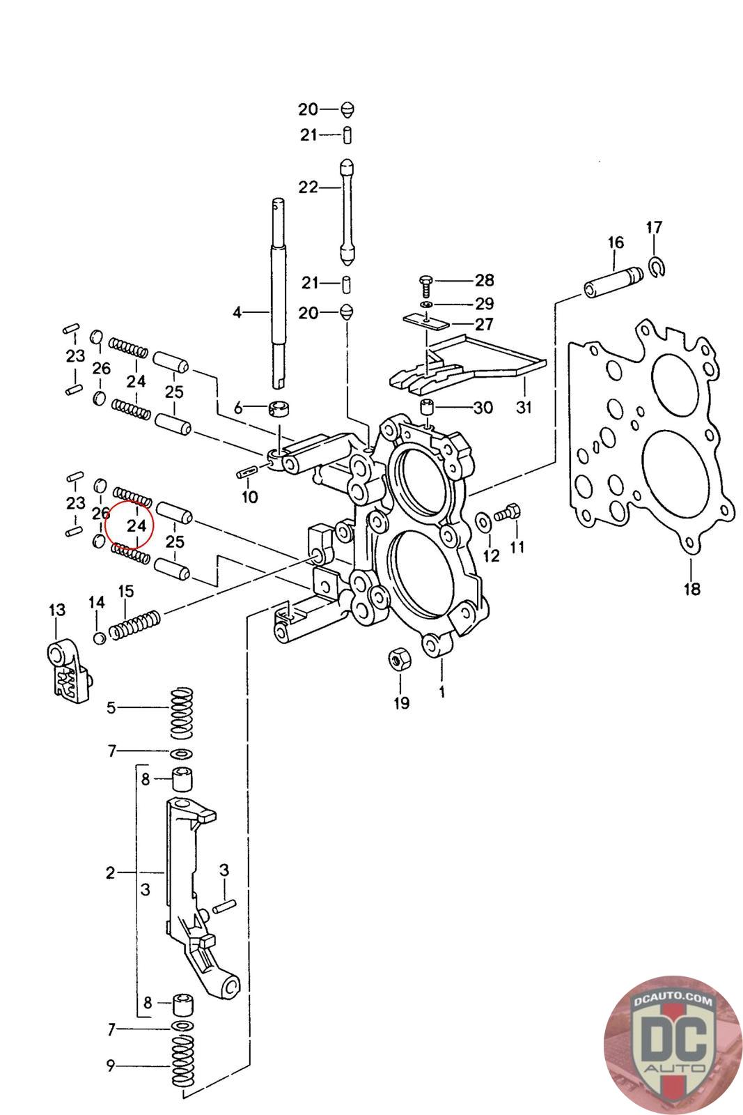
95030324500
COMPRESSION SPRING M8, .
950 303 245 00 [-1995]
SELECT
PART NO
95030324500
DESCRIPTION
Note this is a special order item, delivery estimate 1-2 weeks.
CONDITION
NEW - GENUINE PORSCHE
MANUFACTURER
-
PRICE
$8.97
QTY
Available: 999
95030324500
Note this is a special order item, delivery estimate 1-2 weeks.
NEW - GENUINE PORSCHE
-
$
8.97
Available: 999