95030712100
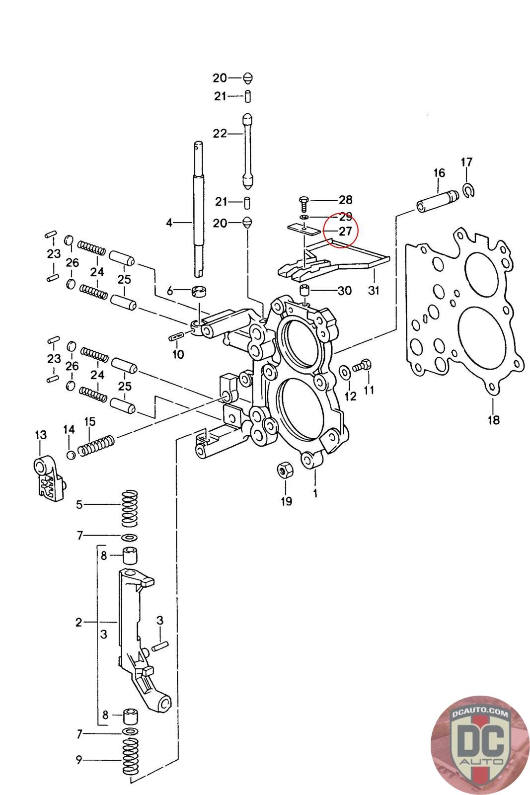
RETAINING BRACKET
950 307 121 00
SELECT
PART NO
95030712100
DESCRIPTION
Note this is a special order item, delivery estimate 1-2 weeks.
CONDITION
NEW - GENUINE PORSCHE
MANUFACTURER
-
PRICE
$13.97
OUT OF STOCK
95030712100
Note this is a special order item, delivery estimate 1-2 weeks.
NEW - GENUINE PORSCHE
-
$
13.97
Available: 0