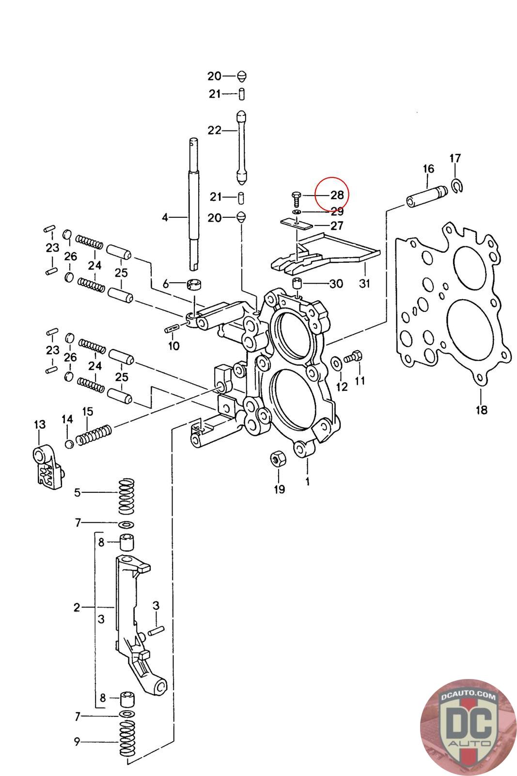
99907505502
HEX HEAD BOLT M5X18
999 075 055 02
SELECT
PART NO
99907505502
DESCRIPTION
Note this is a special order item, delivery estimate 1-2 weeks.
CONDITION
NEW - GENUINE PORSCHE
MANUFACTURER
-
PRICE
$13.97
QTY
Available: 999
99907505502
Note this is a special order item, delivery estimate 1-2 weeks.
NEW - GENUINE PORSCHE
-
$
13.97
Available: 999