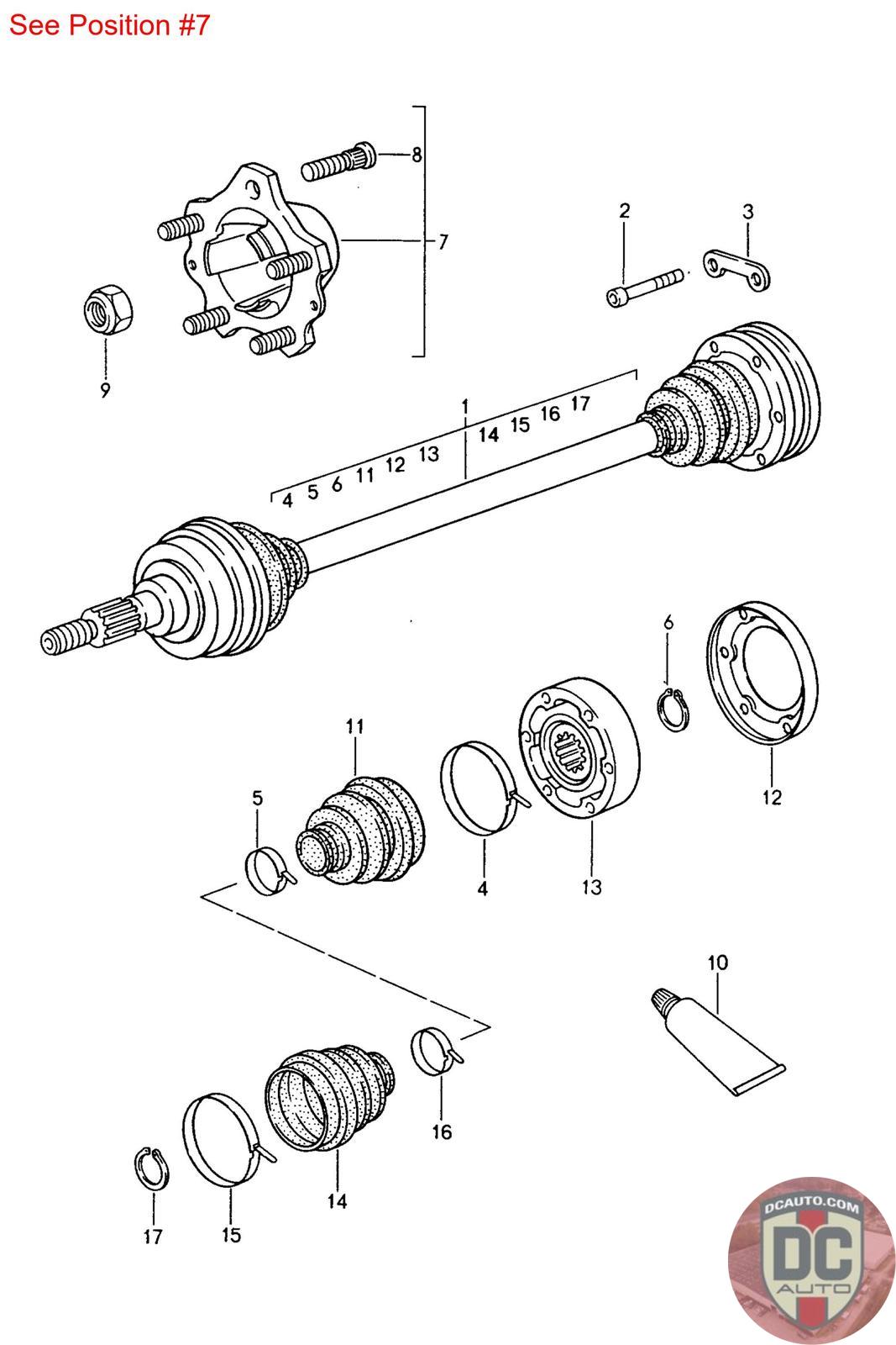
99333106501
WHEEL HUB, SUPERSEDED TO 99333106502
993 331 065 01
SELECT
SERIAL #
45820
DESCRIPTION
-
CONDITION
USED - X
MILEAGE
-
45820
-
USED - X
-