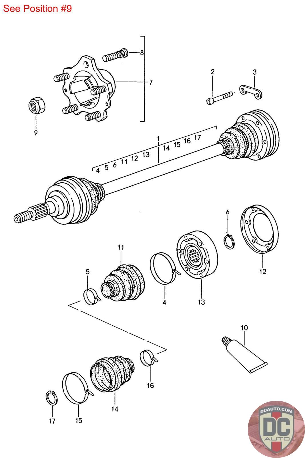
99909001009
LOCKNUT M22X1.5, SUPERSEDED TO 99909001001
999 090 010 09 [Carrera RS]
SELECT
PART NO
99909001009
DESCRIPTION
Note this is a special order item, delivery estimate 1-2 weeks.
CONDITION
NEW - GENUINE PORSCHE
MANUFACTURER
-
PRICE
$32.97
QTY
Available: 999
99909001009
Note this is a special order item, delivery estimate 1-2 weeks.
NEW - GENUINE PORSCHE
-
$
32.97
Available: 999