99907604609
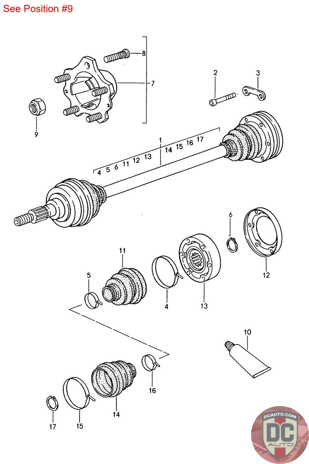
HEX NUT M22, SUPERSEDED TO 9973315319A
999 076 046 09 [Carrera RS]
SELECT
PART NO
99907604609
DESCRIPTION
Note this is a special order item, delivery estimate 1-2 weeks.
CONDITION
NEW - GENUINE PORSCHE
MANUFACTURER
-
99907604609
Note this is a special order item, delivery estimate 1-2 weeks.
NEW - GENUINE PORSCHE
-