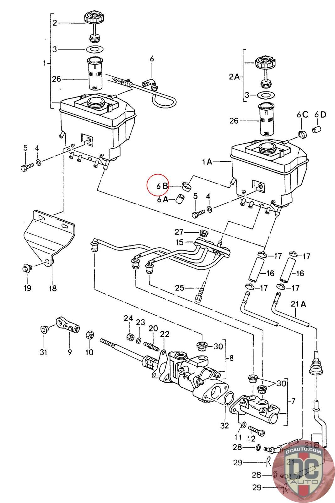
99951205502
HOSE CLAMP 13, SUPERSEDED TO PCG51205502
999 512 055 02 [-1988] [Turbo]
SELECT
PART NO
99951205502
DESCRIPTION
Note this is a special order item, delivery estimate 1-2 weeks.
CONDITION
NEW - GENUINE PORSCHE
MANUFACTURER
-
PRICE
$9.97
OUT OF STOCK
99951205502
Note this is a special order item, delivery estimate 1-2 weeks.
NEW - GENUINE PORSCHE
-
$
9.97
Available: 0