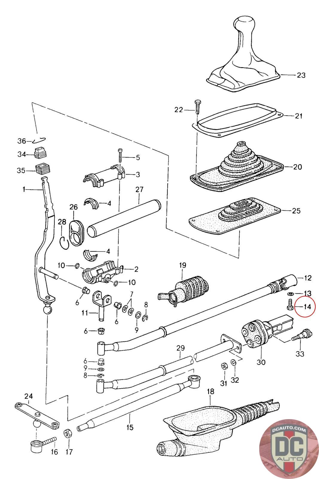
99907402302
FIT BOLT M8X25.5
999 074 023 02
SELECT
PART NO
99907402302
DESCRIPTION
Note this is a special order item, delivery estimate 1-2 weeks.
CONDITION
NEW - GENUINE PORSCHE
MANUFACTURER
-
PRICE
$9.97
OUT OF STOCK
99907402302
Note this is a special order item, delivery estimate 1-2 weeks.
NEW - GENUINE PORSCHE
-
$
9.97
Available: 0