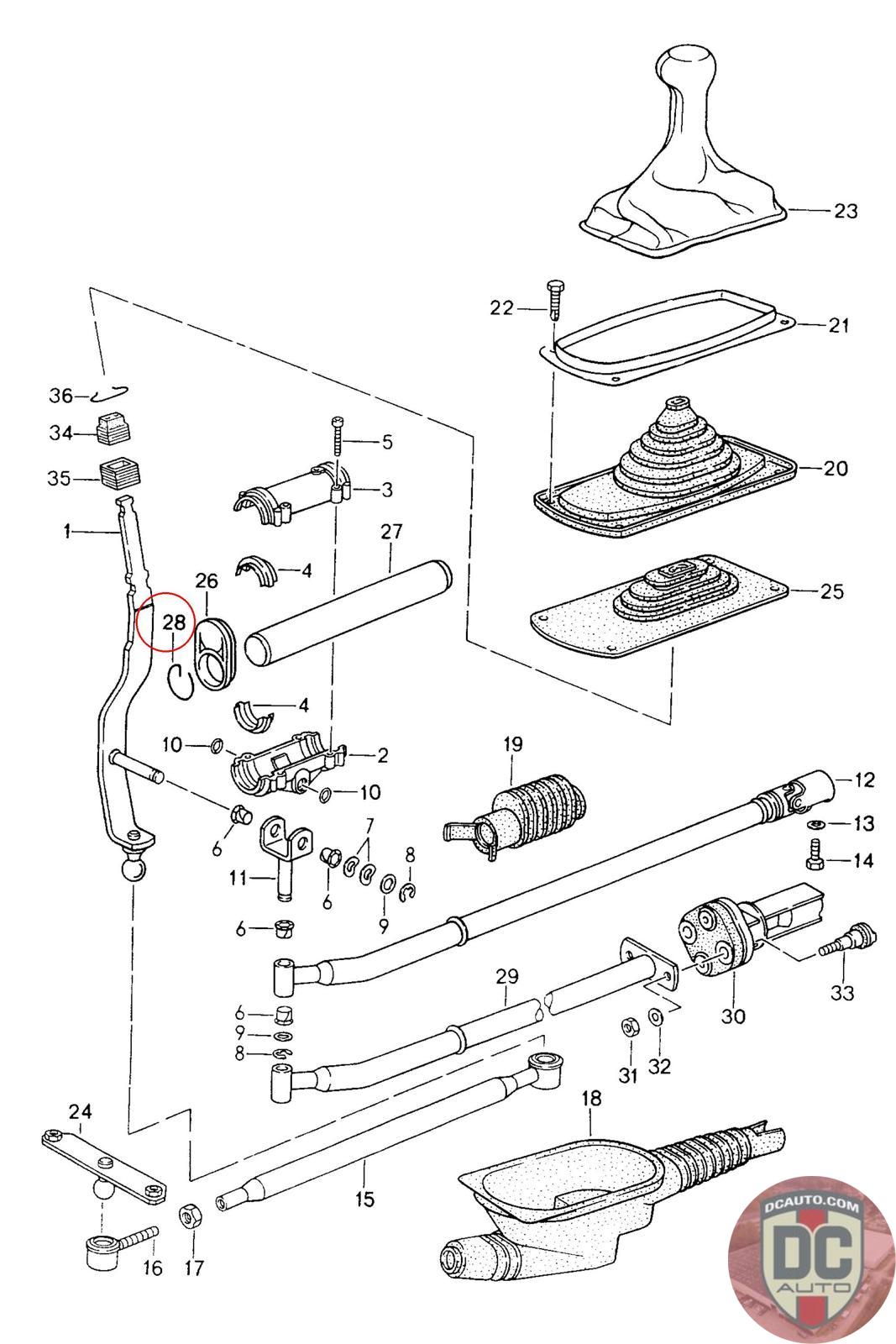
99917800702
CIRCLIP, SUPERSEDED TO 99917800701
999 178 007 02
SELECT
PART NO
99917800702
DESCRIPTION
Note this is a special order item, delivery estimate 1-2 weeks.
CONDITION
NEW - GENUINE PORSCHE
MANUFACTURER
-
PRICE
$10.97
QTY
Available: 997
99917800702
Note this is a special order item, delivery estimate 1-2 weeks.
NEW - GENUINE PORSCHE
-
$
10.97
Available: 997